EasyManua.ls Logo

MicroCal VP-ITC - Page 53

MicroCal VP-ITC
93 pages
Print Icon
To Next Page IconTo Next Page
To Next Page IconTo Next Page
To Previous Page IconTo Previous Page
To Previous Page IconTo Previous Page
Loading...
Section 3: Running an ITC Experiment
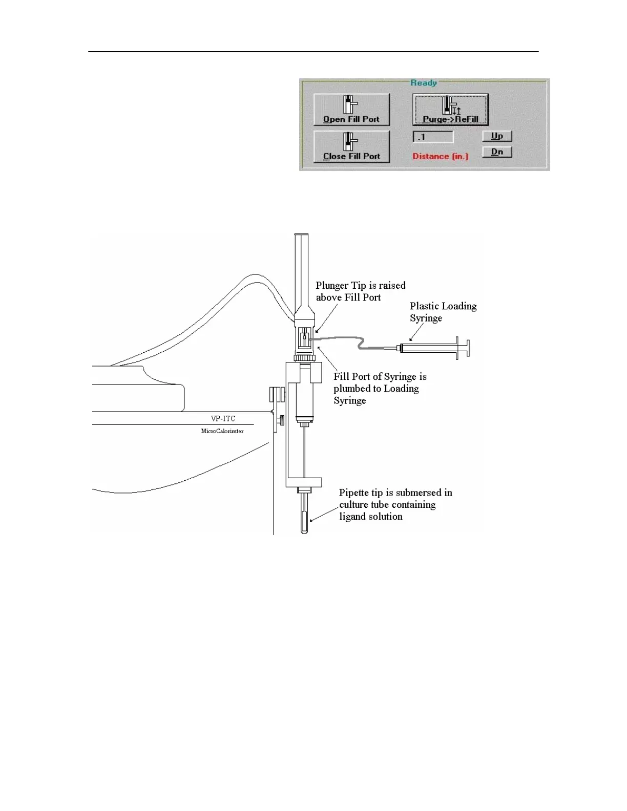
Select the ITC Controls window. In the
lower right corner you will find the
Pipette Controls button.
Click on the Open Fill Port button.
The auto-pipette will move the plunger
of the injection syringe till the Teflon
tip is just above the filling port of the
syringe. You should hear a beep when the movement is complete.
Attach the tube of the plastic filling syringe to the filling port of the injection syringe.
Slowly withdraw the plunger of the plastic filling syringe to draw up the titrant solution till
you see the solution exit through the top filling port.
Click on the Close Fill Port button as soon as you see the liquid exit the top filling port.
The pipette will lower the plunger of the injection syringe till the white Teflon tip is
completely below the filling port (ca. 4mm). You should here a beep when the movement is
complete.
Remove the hose of the plastic filling syringe from the filling port of the injection syringe.
Click on the Purge->ReFill button.
The auto-pipette will depress the plunger of the filling syringe to inject the sample back into
the filling test tube, then raise the plunger to refill the injection syringe. When the movement
43

Table of Contents