EasyManua.ls Logo

Midas VENICE - Page 23

Midas VENICE
29 pages
Print Icon
To Next Page IconTo Next Page
To Next Page IconTo Next Page
To Previous Page IconTo Previous Page
To Previous Page IconTo Previous Page
Loading...
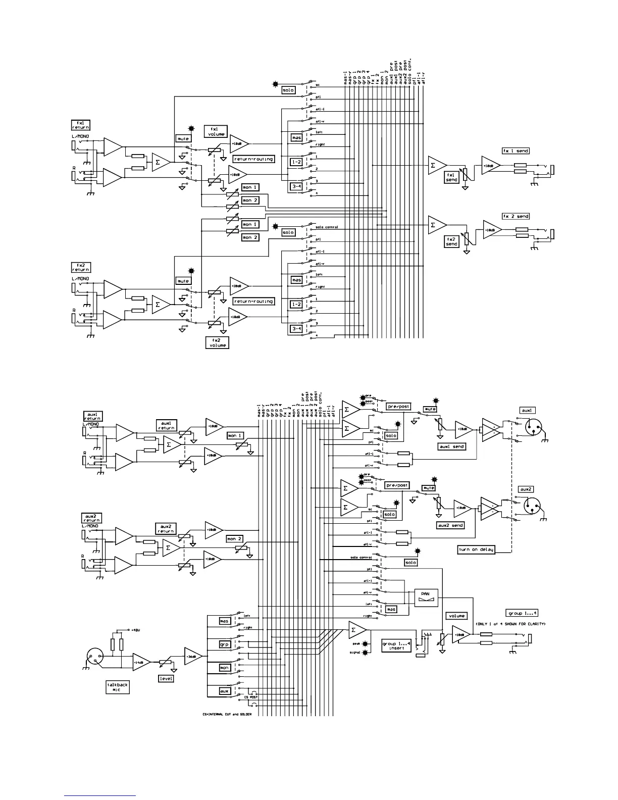
FX-send, FX-return
Aux, Groups and Talkback
23

Related product manuals