EasyManua.ls Logo

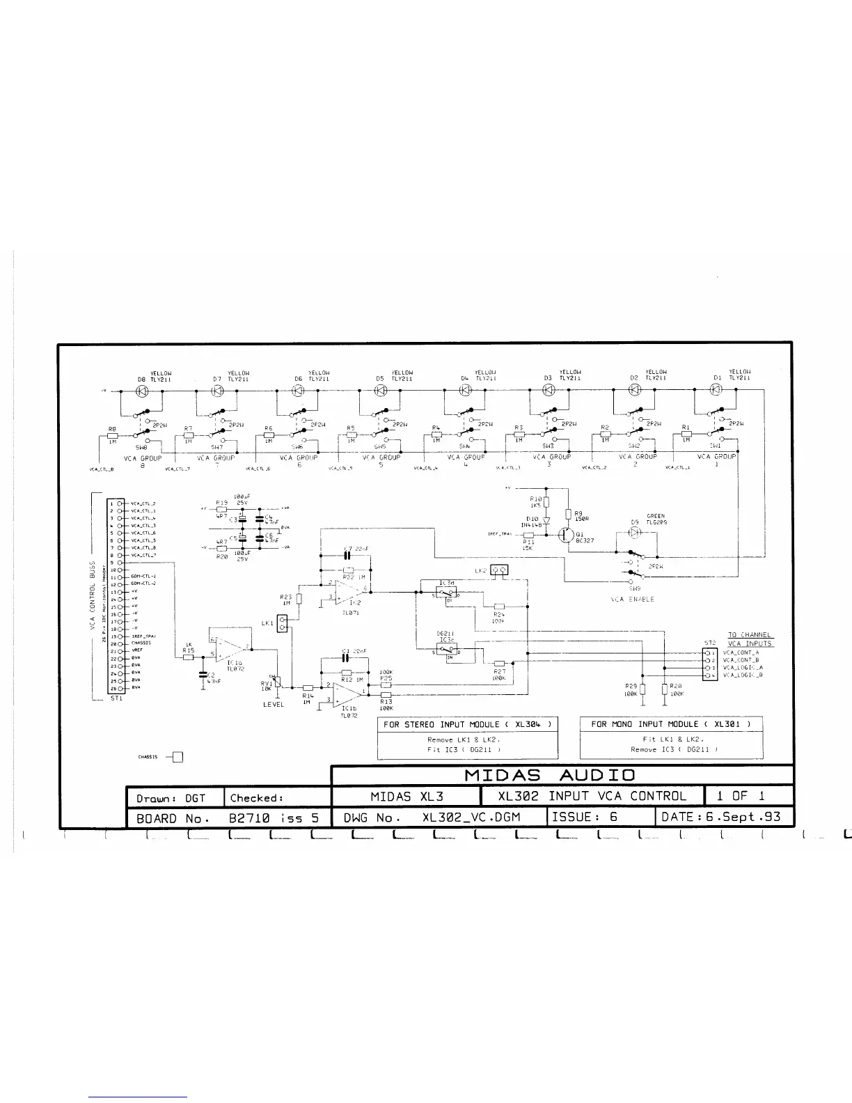
Midas XL3 - Module Specific Control Diagrams; XL302 Input VCA Control Diagram

Midas XL3
122 pages
Print Icon
To Next Page IconTo Next Page
To Next Page IconTo Next Page
To Previous Page IconTo Previous Page
To Previous Page IconTo Previous Page
Loading...

Table of Contents

Related product manuals