EasyManua.ls Logo

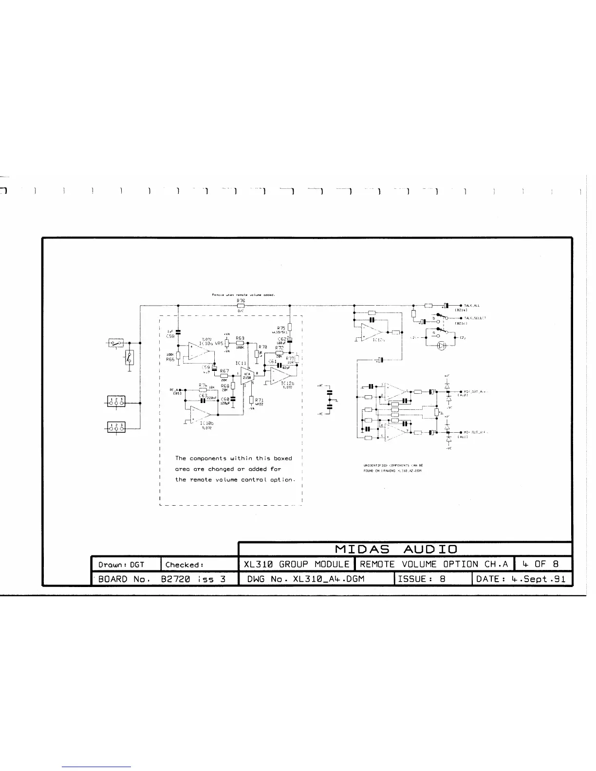
Midas XL3 - Group Module Buss and Input Diagrams; XL310 Group Module Buss & Direct Inputs B Diagram

Midas XL3
122 pages
Print Icon
To Next Page IconTo Next Page
To Next Page IconTo Next Page
To Previous Page IconTo Previous Page
To Previous Page IconTo Previous Page
Loading...

Table of Contents

Related product manuals