EasyManua.ls Logo

Midea MDV-V80W/DN1 - 4. Piping Diagrams

Midea MDV-V80W/DN1
122 pages
Print Icon
To Next Page IconTo Next Page
To Next Page IconTo Next Page
To Previous Page IconTo Previous Page
To Previous Page IconTo Previous Page
Loading...
MCAC-VTSM-2013-12 R410a Full DC Inverter Mini VRF
Specifications & Performance 17
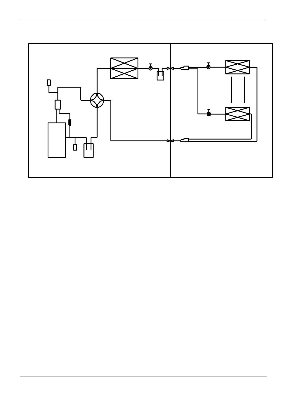
4. Piping Diagrams
High pressure
switch
Oil seperator
Oil return
capilary
Compressor
Low pressure
switch
Low pressure
liquid
accumulator can
Condensor
High pressure
liquid
accumulator
can
Electronic
expansion
valve
Electronic
expansion
valve
Evaporator

Other manuals for Midea MDV-V80W/DN1

Related product manuals