EasyManua.ls Logo

Midea MFGA-24ARN1-Q - Wiring Diagrams

Midea MFGA-24ARN1-Q
264 pages
Print Icon
To Next Page IconTo Next Page
To Next Page IconTo Next Page
To Previous Page IconTo Previous Page
To Previous Page IconTo Previous Page
Loading...
Wiring Diagrams
M Floor-standing Type 123
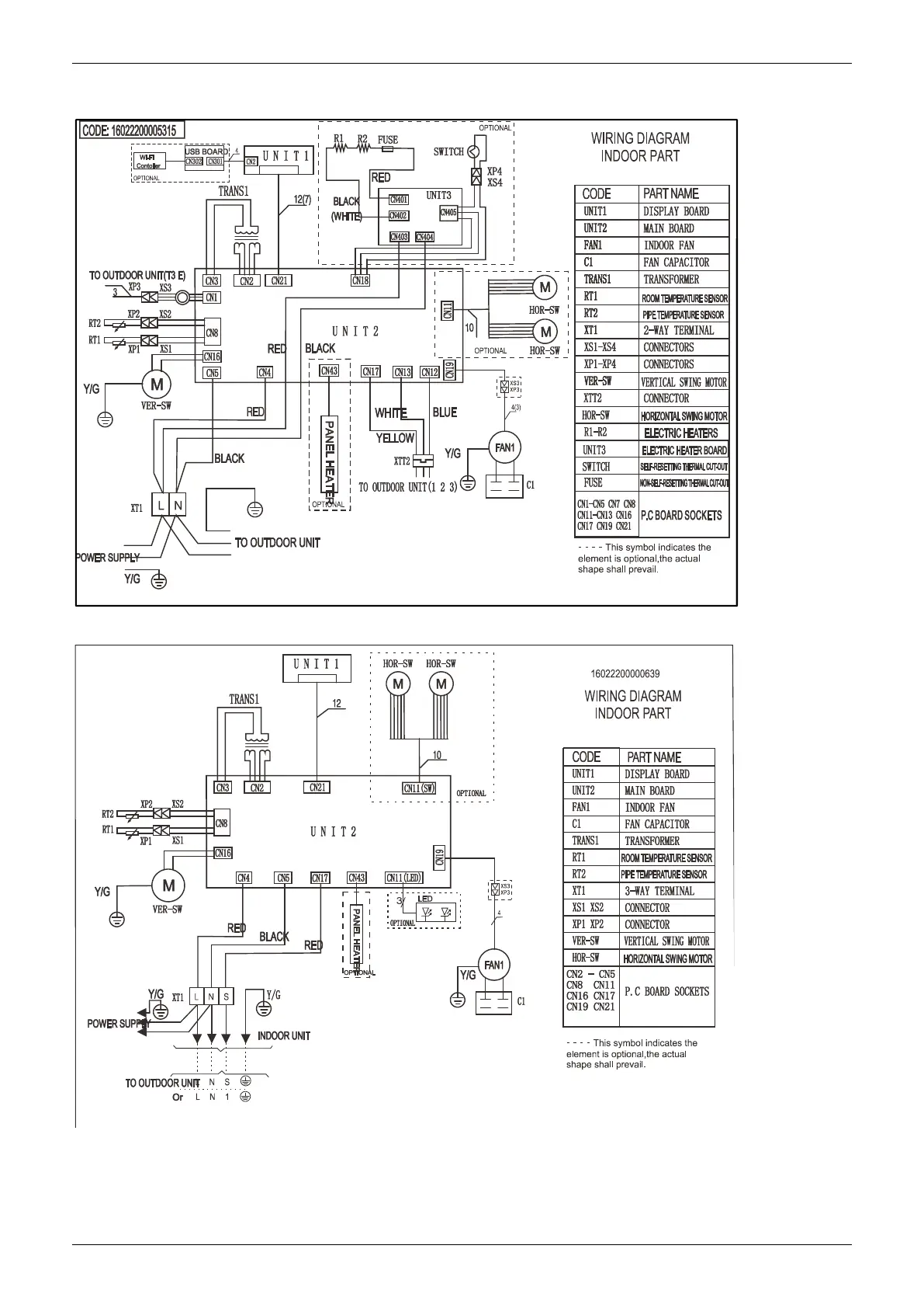
13. Wiring Diagrams
MFM-24ARN1-Q
MFM-24CRN1-Q

Table of Contents

Related product manuals