EasyManua.ls Logo

Midea MFGA-24ARN1-Q - Service Space

Midea MFGA-24ARN1-Q
264 pages
Print Icon
To Next Page IconTo Next Page
To Next Page IconTo Next Page
To Previous Page IconTo Previous Page
To Previous Page IconTo Previous Page
Loading...
Service Space
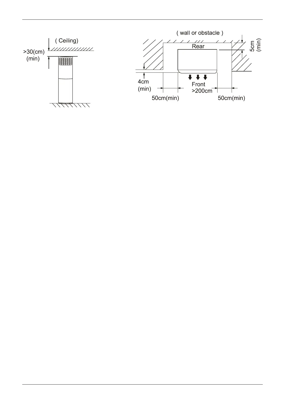
132 J2 Floor-standing Type
3. Service Space

Table of Contents

Related product manuals