EasyManua.ls Logo

Midea MFGA-24ARN1-Q - Page 39

Midea MFGA-24ARN1-Q
264 pages
Print Icon
To Next Page IconTo Next Page
To Next Page IconTo Next Page
To Previous Page IconTo Previous Page
To Previous Page IconTo Previous Page
Loading...
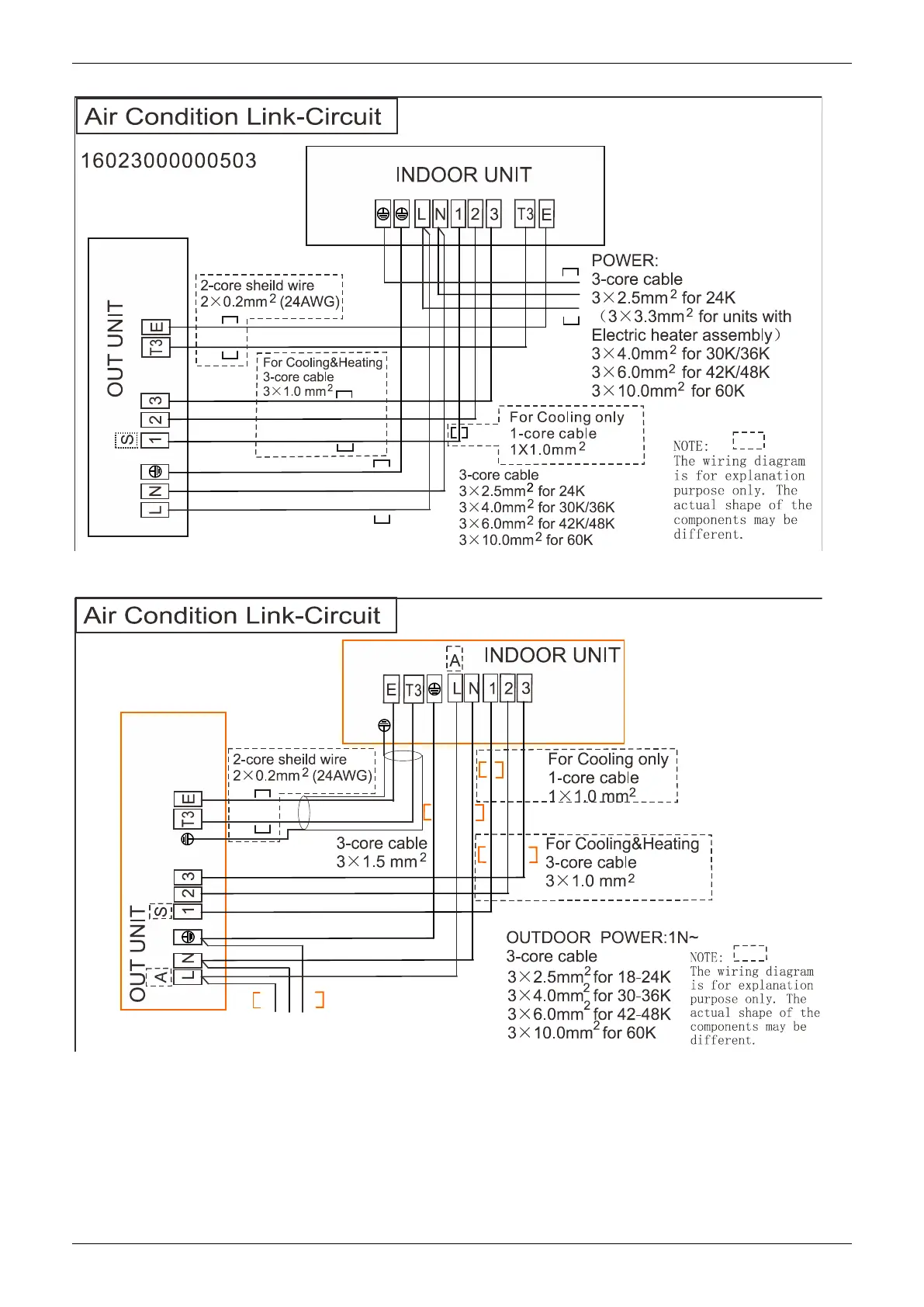
Field Wiring
Super-slim Cassette Type 35
MCD-24HRN1-Q, MCD-24CRN1-Q, MCD-30CRN1-QB4
MCD-36HRN1-Q, MCD-36CRN1-QB6

Table of Contents

Related product manuals