EasyManua.ls Logo

Midea MGBT-F180W/RN1 - Mgbt-F25 W;Rn1, Mgbt-D25 W;Rn1, Mgbt-D30 W;Rn1, Mgbt-F30 W;Rn1

Midea MGBT-F180W/RN1
213 pages
Print Icon
To Next Page IconTo Next Page
To Next Page IconTo Next Page
To Previous Page IconTo Previous Page
To Previous Page IconTo Previous Page
Loading...
MCAC-ATSM-2014-09 Aqua tempo power series tropical air-cooled scroll chiller 50Hz
169
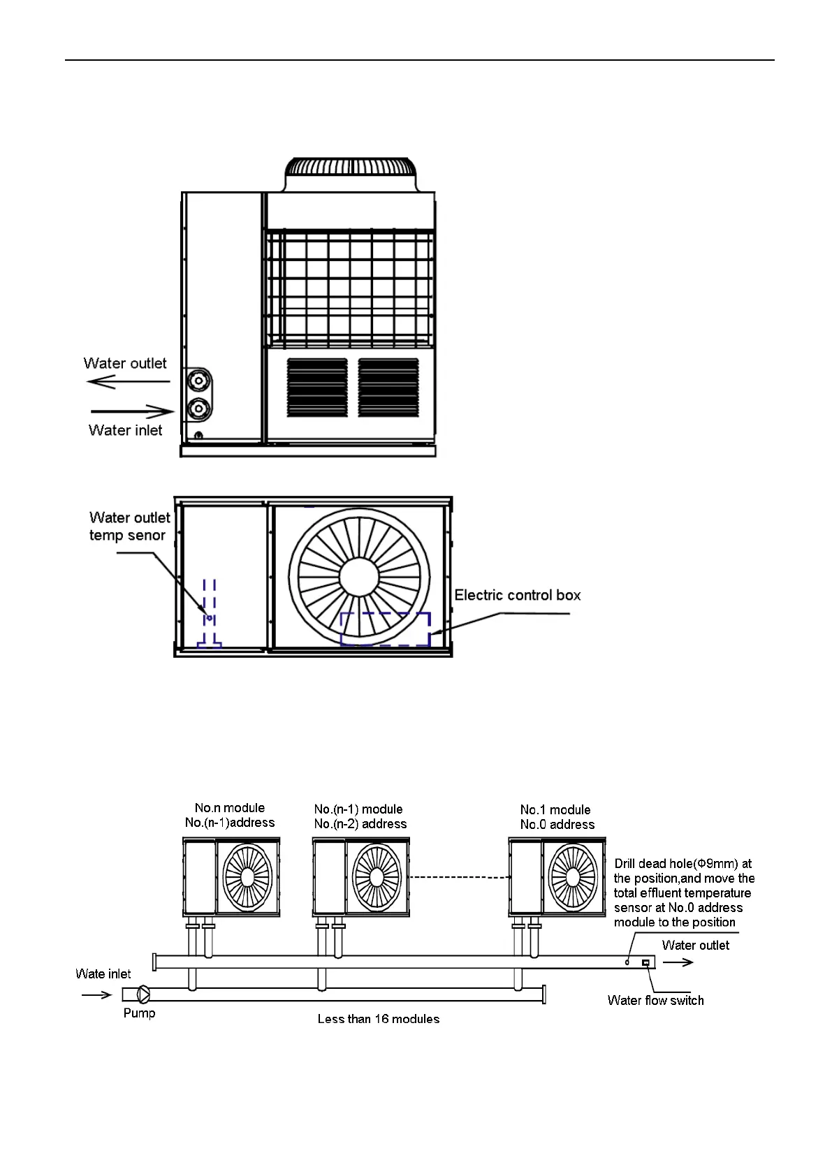
3.1 MGBT-F25W/RN1, MGBT-D25W/RN1, MGBT-D30W/RN1, MGBT-F30W/RN1
Installation of single-module water system pipeline
Installation of multi-module water system pipeline
1) Installation mode I (recommended installation mode)
n :the module quantity, max 16
2) Installation mode II
n :the module quantity, max 16

Table of Contents

Related product manuals