EasyManua.ls Logo

Midea MSCI-09HRN1 - Refrigeration Cycle Diagram; 1 Drive 2 System Diagram; 1 Drive 1 System Diagram

Midea MSCI-09HRN1
25 pages
Print Icon
To Next Page IconTo Next Page
To Next Page IconTo Next Page
To Previous Page IconTo Previous Page
To Previous Page IconTo Previous Page
Loading...
216
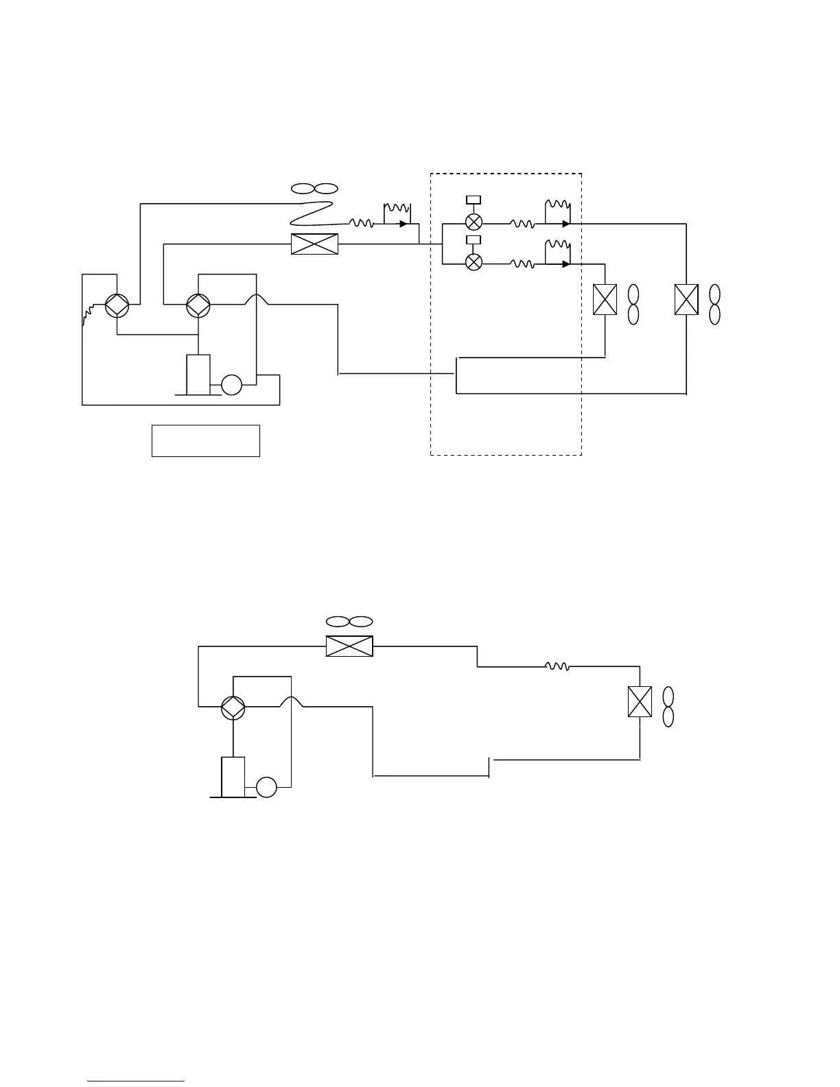
4.Refrigeration cycle diagram
“1 drive 3 system” is made up of one “1 drive 1 system” and one “1 drive 2 system”.
PMV1
1 drive 2 system
SV1Primary four-way valve SV2Secondary four-way valve PMV1PMV2Electronic expansive valve
T1T2Indoor pipe temperature sensor
condenser
four-way valve
evaporator
compressor
1 drive 1 system
PMV2
SV2
SV1
2
1 T2
T1
refrigeration distributor
Compressor

Related product manuals