EasyManua.ls Logo

Midea MSCI-09HRN1 - Wiring Diagram; Indoor Unit Wiring Diagram; Outdoor Unit Wiring Diagram

Midea MSCI-09HRN1
25 pages
Print Icon
To Next Page IconTo Next Page
To Next Page IconTo Next Page
To Previous Page IconTo Previous Page
To Previous Page IconTo Previous Page
Loading...
218
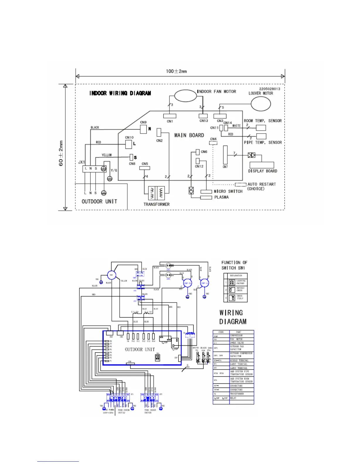
6.Wiring diagram
Indoor unit
CORONA INDOOR UNIT
Outdoor unit
FOR 1 DRIVE 2 OUTDOOR UNIT

Related product manuals