EasyManua.ls Logo

Midea MSFAAU-12HRFN8-QRD6GW

Midea MSFAAU-12HRFN8-QRD6GW
46 pages
To Next Page IconTo Next Page
To Next Page IconTo Next Page
To Previous Page IconTo Previous Page
To Previous Page IconTo Previous Page
Loading...
Specifications
Page 11
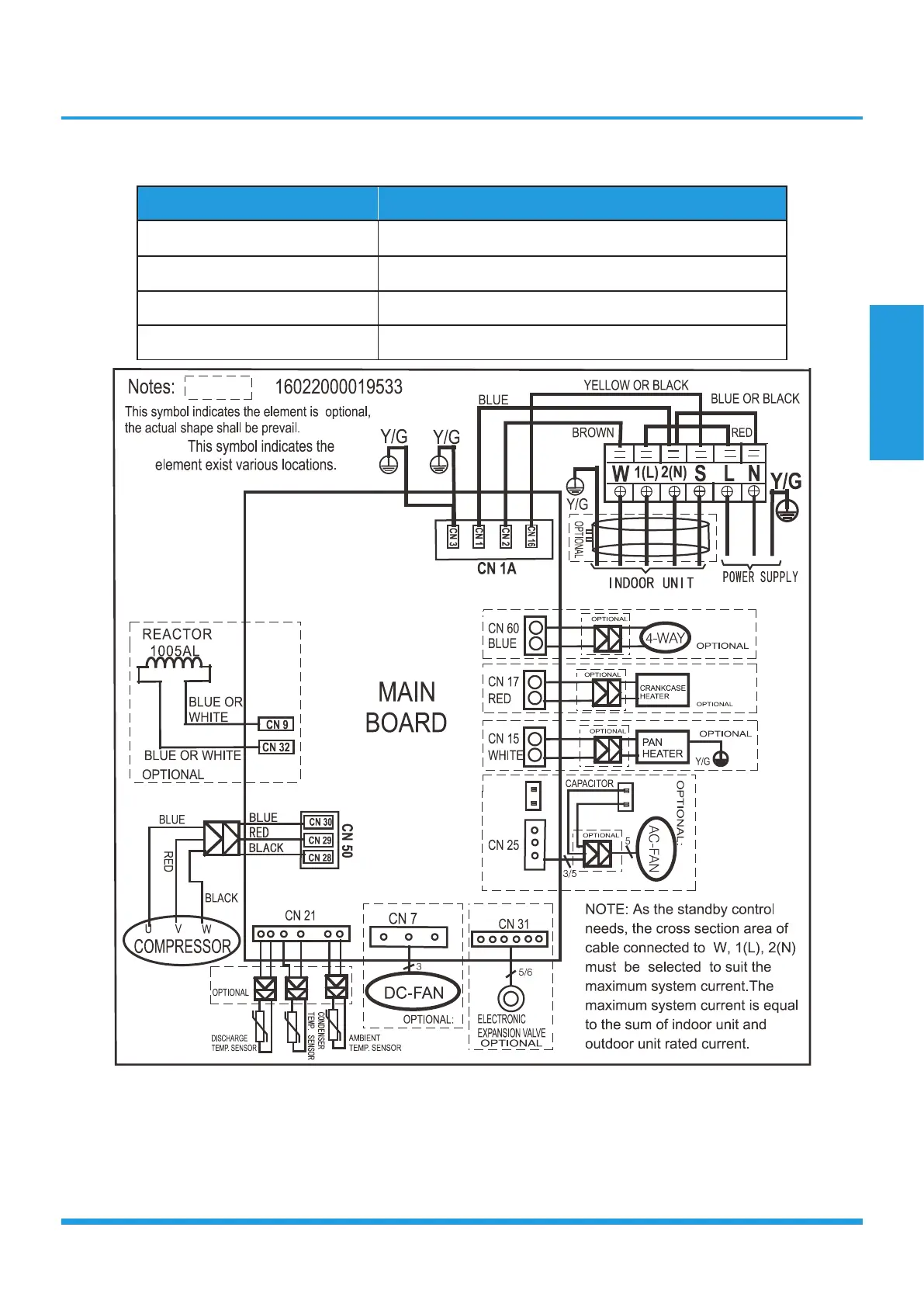
5.2 Outdoor Unit
Abbreviation Paraphrase
4-WAY Gas Valve Assembly/4-WAY VALVE
AC-FAN Alternating Current FAN
DC-FAN Direct Current FAN
COMP Compressor

Related product manuals