EasyManua.ls Logo

Midea MSFAAU-12HRFN8-QRD6GW - Refrigerant Cycle Diagrams

Midea MSFAAU-12HRFN8-QRD6GW
46 pages
Print Icon
To Next Page IconTo Next Page
To Next Page IconTo Next Page
To Previous Page IconTo Previous Page
To Previous Page IconTo Previous Page
Loading...
Specifications
Page 12
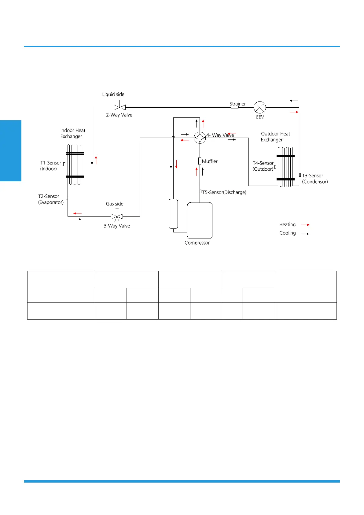
6. Refrigerant Cycle Diagrams
6.1 Heat pump
Capacity(Btu/h).
Pipe Size (Diameter:ø)
mm(inch)
Piping length (m/ft) Elevation (m/ft)
Additional Refrigerant
Gas Liquid Rated Max. Rated Max.
12K 9.52(3/8) 6.35(1/4) 5/16.4 25/82 0 10/32.8 12g/m (0.13oz/ft)

Related product manuals