EasyManua.ls Logo

Midea MSG-24CRN2 - Re-air Purging

Midea MSG-24CRN2
43 pages
Print Icon
To Next Page IconTo Next Page
To Next Page IconTo Next Page
To Previous Page IconTo Previous Page
To Previous Page IconTo Previous Page
Loading...
Service manual
- 19 -
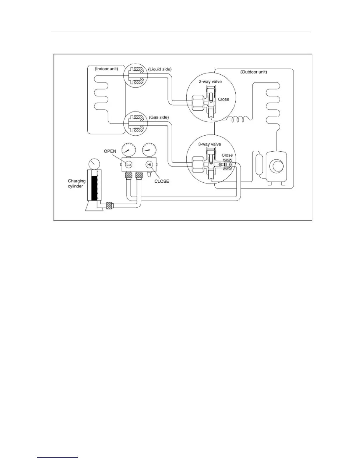
8.6 Re-air purging (Re-installation)
Procedure:
1. Confirm that both the 2-way and 3-way valves are set to the closed position.
2. Connect the charge set and a charging cylinder to the service port of the 3-way valve.
Leave the valve on the charging cylinder closed.
3. Air purging.
Open the valves on the charging cylinder and the charge set. Purge the air by loosening the flare nut
on the 2-way valve approximately 45’ for 3 seconds then closing it for 1 minutes; repeat 3 times.
After purging the air, use a torque wrench to tighten the flare nut to on the 2-way valve.
4. Check the gas leakage.
Check the flare connections for gas leakage.
5. Discharge the refrigerant.
Close the valve on the charging cylinder and discharge the refrigerant until the gauge indicate 0.3 to
0.5 Mpa.
6. Disconnect the charge set and the charging cylinder, and set the 2-way and 3-way valves to
the open position.
Be sure to use a hexagonal wrench to operate the valve stems.
7. Mount the valve stems nuts and the service port cap.
Be sure to use a torque wrench to tighten the service port cap to a torque 18N.m.
Be sure to check the gas leakage.

Related product manuals