EasyManua.ls Logo

Midea MSG-36HR - Refrigerant Cycle Diagrams; Cooling Cycle Diagram; Heat Pump Cycle Diagram

Midea MSG-36HR
52 pages
Print Icon
To Next Page IconTo Next Page
To Next Page IconTo Next Page
To Previous Page IconTo Previous Page
To Previous Page IconTo Previous Page
Loading...
Service manual
- 12 -
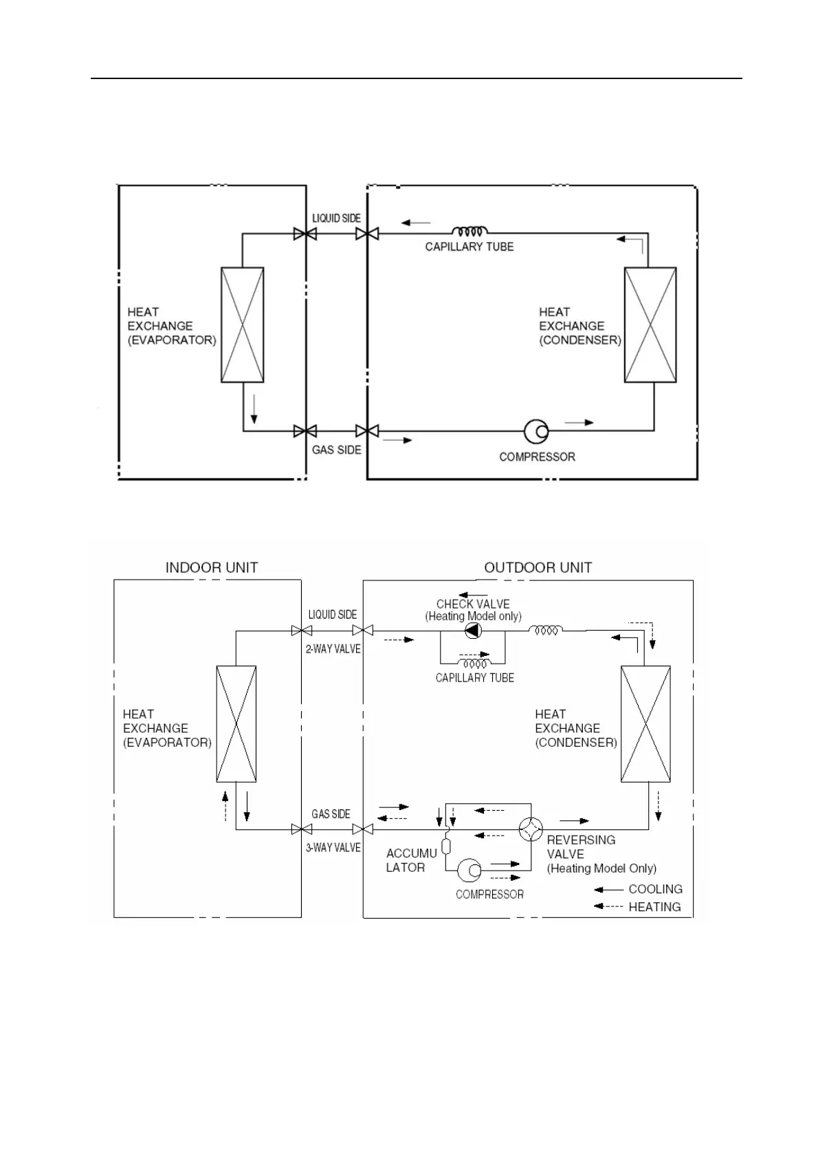
5. Refrigerant cycle diagram
Ø Cooling only
Ø Heat pump mode

Related product manuals