EasyManua.ls Logo

Midea MTI-60HWN1-R - Service Space

Midea MTI-60HWN1-R
264 pages
Print Icon
To Next Page IconTo Next Page
To Next Page IconTo Next Page
To Previous Page IconTo Previous Page
To Previous Page IconTo Previous Page
Loading...
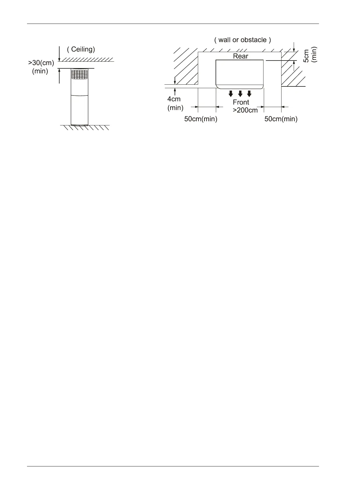
Service Space
122 M Floor-standing Type
12. Service Space

Table of Contents

Related product manuals