EasyManua.ls Logo

Midea MTI-60HWN1-R - Wiring Diagrams

Midea MTI-60HWN1-R
264 pages
Print Icon
To Next Page IconTo Next Page
To Next Page IconTo Next Page
To Previous Page IconTo Previous Page
To Previous Page IconTo Previous Page
Loading...
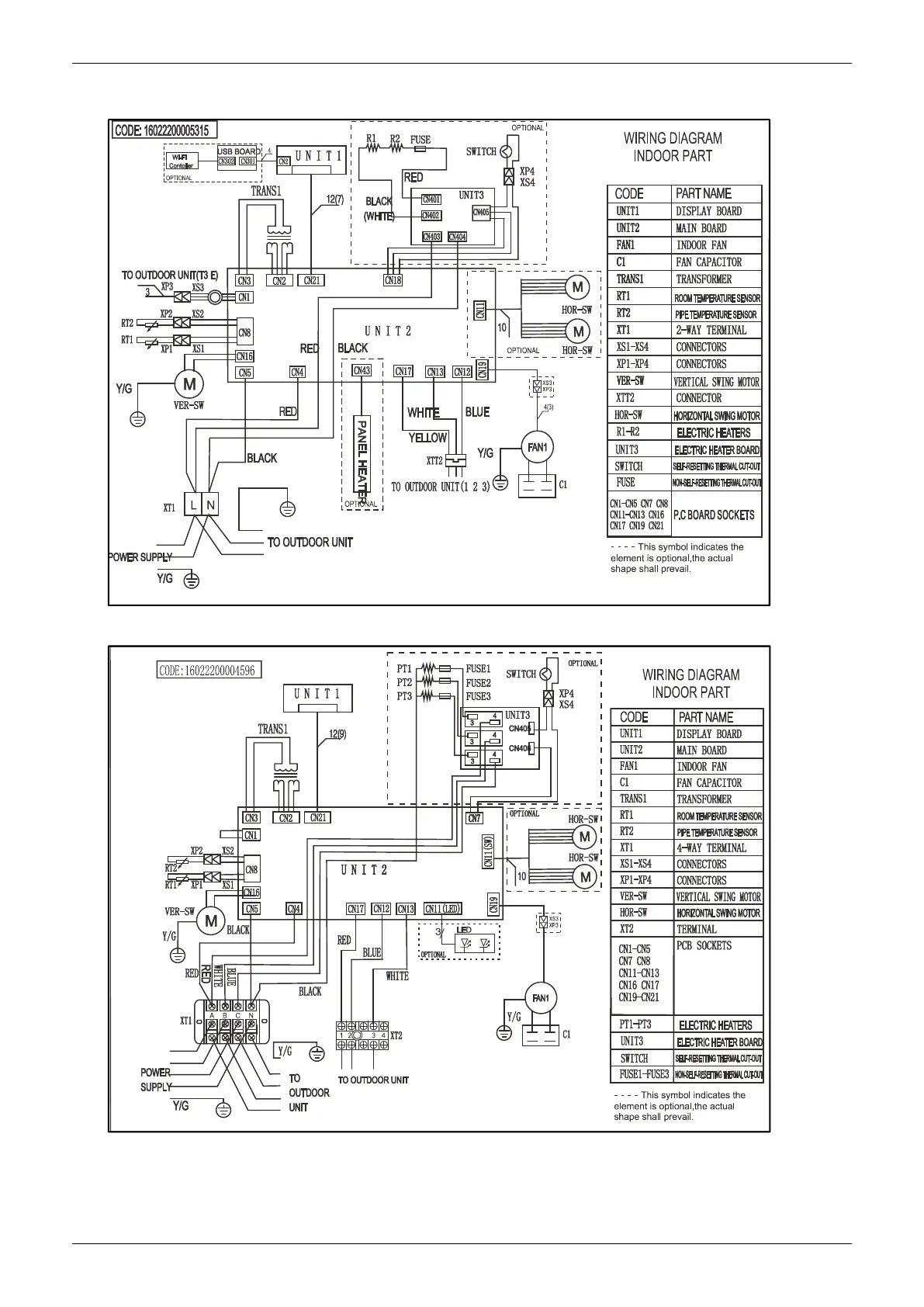
Wiring Diagrams
S4 Floor-standing Type 151
4. Wiring Diagrams
MFS4-24ARN1-Q
MFS4-48ARN1-R
MFS4-24CRN1-QB8

Table of Contents

Related product manuals