EasyManua.ls Logo

Midea MTI-60HWN1-R - Wiring Diagrams

Midea MTI-60HWN1-R
264 pages
Print Icon
To Next Page IconTo Next Page
To Next Page IconTo Next Page
To Previous Page IconTo Previous Page
To Previous Page IconTo Previous Page
Loading...
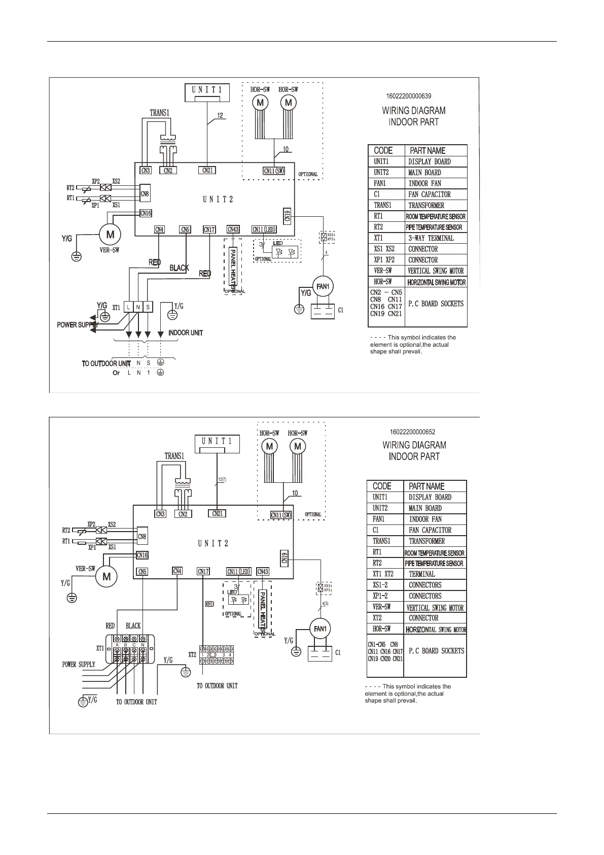
Wiring Diagrams
142 S2 Floor-standing Type
4. Wiring Diagrams
MFS2-24CRN1-QB7
MFS2-48CRN1-RB4

Table of Contents

Related product manuals