EasyManua.ls Logo

Midea MTI-60HWN1-R

Midea MTI-60HWN1-R
264 pages
To Next Page IconTo Next Page
To Next Page IconTo Next Page
To Previous Page IconTo Previous Page
To Previous Page IconTo Previous Page
Loading...
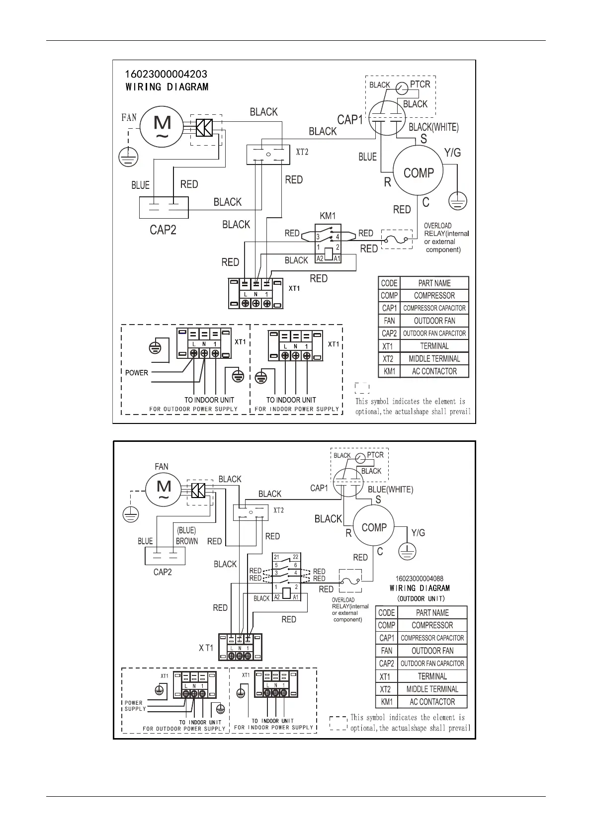
Wiring Diagrams
182 Outdoor Units
MOCA30U-24CN1-QB9, MOCA31U-24CN1-QB9, MOD30U-30CN1-Q
MOD30U-36CN1-Q

Table of Contents

Related product manuals