EasyManua.ls Logo

Midea MTI-60HWN1-R - Page 79

Midea MTI-60HWN1-R
264 pages
Print Icon
To Next Page IconTo Next Page
To Next Page IconTo Next Page
To Previous Page IconTo Previous Page
To Previous Page IconTo Previous Page
Loading...
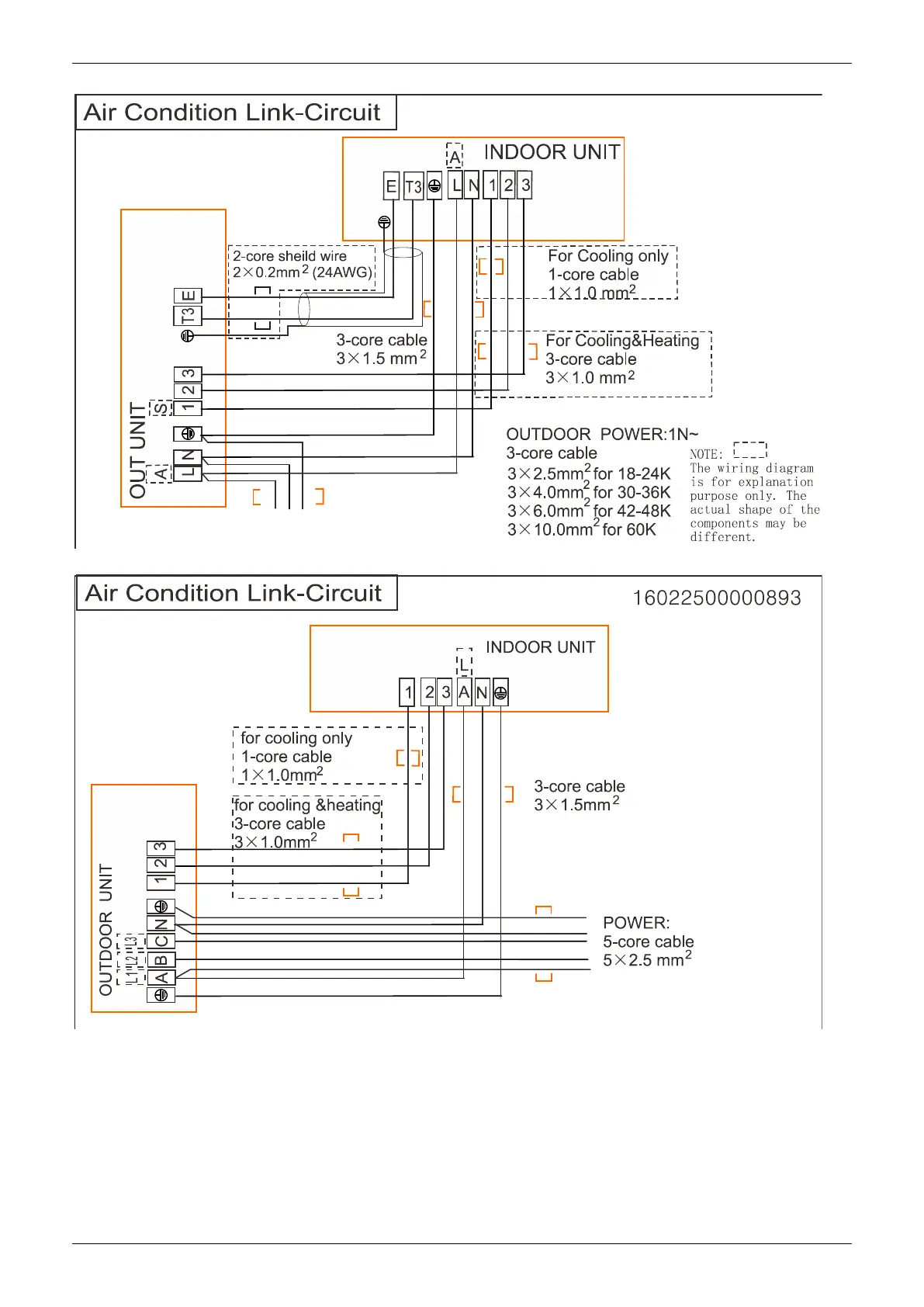
Field Wiring
A6 Duct Type 75
MTI-30HWN1-Q, MTI-36HWN1-Q, MTI-24CWN1-Q, MTI-30CWN1-Q
MTI-36HWN1-R, MTI-36CWN1-R, MTI-48CWN1-R, MTI-60HWN1-R

Table of Contents

Related product manuals