EasyManua.ls Logo

Midea MTI-60HWN1-R - Page 97

Midea MTI-60HWN1-R
264 pages
Print Icon
To Next Page IconTo Next Page
To Next Page IconTo Next Page
To Previous Page IconTo Previous Page
To Previous Page IconTo Previous Page
Loading...
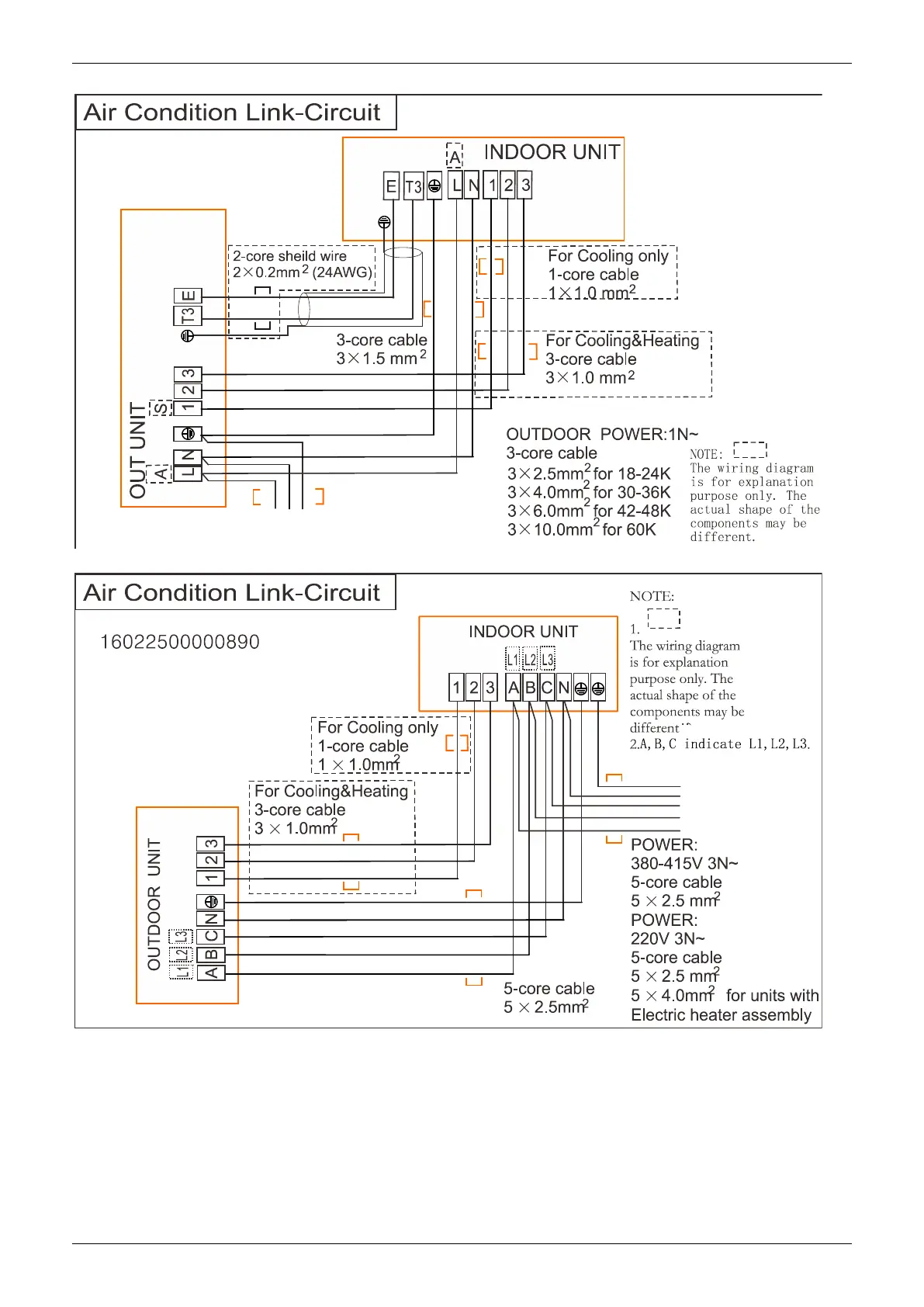
Field Wiring
High Static Pressure Duct Type 93
MHG-36HWN1-Q
MHG-48HWN1-R, MHG-60HWN1-R

Table of Contents

Related product manuals