EasyManua.ls Logo

Midea MV6-i730WV2GN1-E - Page 25

Midea MV6-i730WV2GN1-E
130 pages
Print Icon
To Next Page IconTo Next Page
To Next Page IconTo Next Page
To Previous Page IconTo Previous Page
To Previous Page IconTo Previous Page
Loading...
V6-i VRF 50/60Hz
24
Midea V6-i Series Service Manual
14/16/18HP
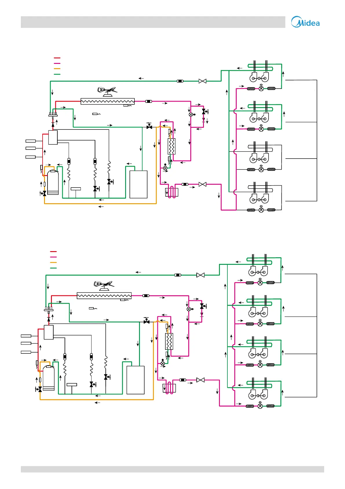
Cooling operation
Figure 2-3.5: 14/16/18 refrigerant flow during cooling operation
Oil return operation in cooling mode
Figure 2-3.6: 14/16/18HP refrigerant flow during oil return operation in cooling mode
SV7
7
1
15
12
9
3
2
4
5
6
11
10
14
13
EXVC
E
S
C
T3
T4
T6B
T7C1
T7C2
T6A
SV8A
SV4
SV5
High temperature, high pressure gas
High temperature, high pressure liquid
Medium temperature, medium pressure gas
Low temperature, low pressure
EXVA
8
SV6
Closed
Filter
Filter
Closed
Unit on
Thermostat off
Unit on
Thermostat on
Unit on
Thermostat on
Unit off
Filter
Indoor unit operation
Filter
Normal control
Filter
Filter
Normal control
Filter
Filter
Fan
on
Fan
off
Fan
on
Fan
on
SV7
EXVA
8
SV6
7
1
15
12
9
5
6
11
10
14
13
High temperature, high pressure gas
High temperature, high pressure liquid
Medium temperature, medium pressure gas
Low temperature, low pressure
EXVC
E
S
C
T3
T4
T6B
T7C1
T7C2
T6A
SV8A
SV4
SV5
300 steps
Filter
Filter
300 steps
Unit on
Thermostat off
Unit on
Thermostat on
Unit on
Thermostat on
Unit off
Filter
Indoor unit operation
Filter
Normal control
Filter
Filter
Normal control
Filter
Filter
Fan
on
Fan
off
Fan
on
Fan
on

Table of Contents

Related product manuals