EasyManua.ls Logo

Midea MWSC340A-FB3 - Page 71

Midea MWSC340A-FB3
114 pages
Print Icon
To Next Page IconTo Next Page
To Next Page IconTo Next Page
To Previous Page IconTo Previous Page
To Previous Page IconTo Previous Page
Loading...
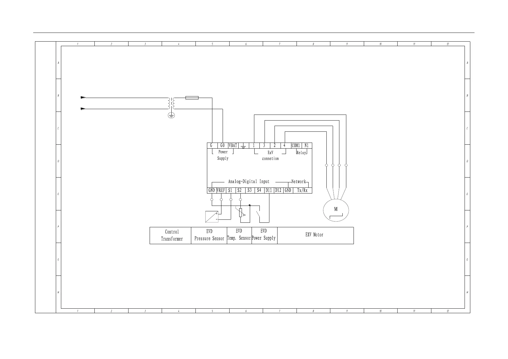
Flooded type water cooled screw chiller (PCB Control)
70
TC
BP
P
I
RT
KA
EVD
FU
L17
N1
L19L15
N
605 603 601 607
X:69 X:68 X:67 X:70
611 613
615
617
X:74
X:73
X:72
X:71
609
1/C12
1/F12
Black
White
Red
Green

Related product manuals