EasyManua.ls Logo

Midea MWSC340A-FB3 - Page 72

Midea MWSC340A-FB3
114 pages
Print Icon
To Next Page IconTo Next Page
To Next Page IconTo Next Page
To Previous Page IconTo Previous Page
To Previous Page IconTo Previous Page
Loading...
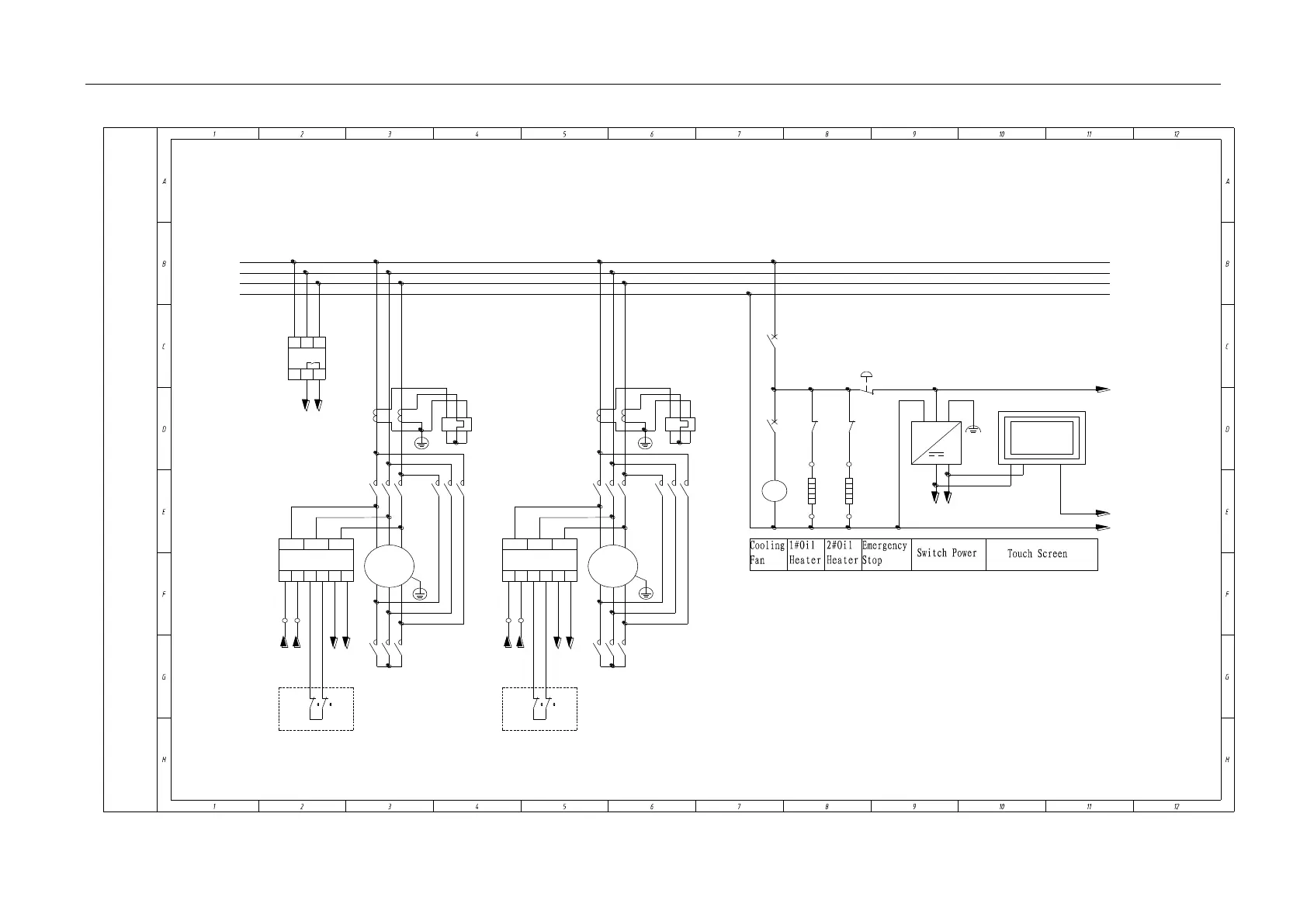
Flooded type water cooled screw chiller (PCB Control)
71
MWSC1080~1780A-FB3
24V
220V
M
3~
M
HMI
L
N
+V
-V
24V
0V
RS485 Communication Line
JTX-A
M
3~
L1 L2 L3
L
N S1 S2 M1 M2
L1 L2
L3
12
11
14
KR
L1
L2
L3
N
1TA1
1TA2
1FR
1KM1
1KM3
1KM2
2TA1
2TA2
2KM1
2KM3
2KM2
2FR
1U
1V
1W
1Y
1X
1Z
2U
2V
2W
2Y
2X
2Z
QF1
QF2
1KM1 2KM1
SB
UR1
L11 L15
103
105
24V
0V
1/G2
4/F2
1/G2
3/B7
X:33
X:34
L15
N
202
222
X:30
X:29
X:31
X:32
N
1/C11
1/E11
JTX-A
L1 L2 L3
L
N S1 S2 M1 M2
X:33
X:34
L15
N
202
236
1/C11
1/E11
1EH 2EHEV
2/B2
2/E2
1
3
5
7
9
11
1ST1 1ST2 1ST1 1ST2
3/B7
3/B10
3/B10
232202
3/B9
3/B9
1/G4
1/G4
1SF
2SF
101
4/E12
4/B10

Related product manuals