EasyManua.ls Logo

Midea RSJ-120/ZN1-540V1 - Wiring Diagrams

Midea RSJ-120/ZN1-540V1
91 pages
Print Icon
To Next Page IconTo Next Page
To Next Page IconTo Next Page
To Previous Page IconTo Previous Page
To Previous Page IconTo Previous Page
Loading...
Midea R410A Direct Heating Type HPWH 50Hz Technical Manual MCAC-HTSM-201906
21
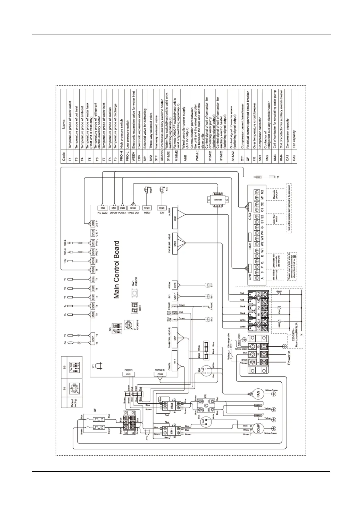
6 Wiring diagrams
Figure 2-6.1:Wiring diagram of RSJ-120/ZN1-540V1
Midea CAC Confidential

Related product manuals