EasyManua.ls Logo

Midea RSJ-200/SZN1-540V1 - Page 88

Midea RSJ-200/SZN1-540V1
91 pages
Print Icon
To Next Page IconTo Next Page
To Next Page IconTo Next Page
To Previous Page IconTo Previous Page
To Previous Page IconTo Previous Page
Loading...
MCAC-HTSM-201906 Midea R410A Direct Heating Type HPWH 50Hz Technical Manual
88
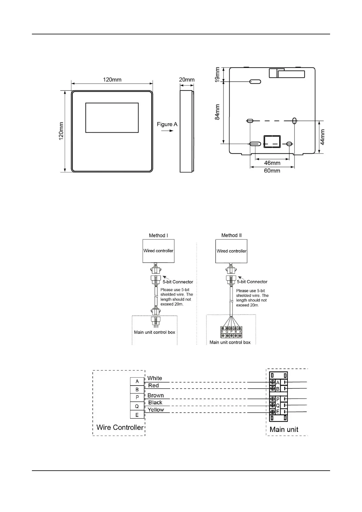
4.3 Dimensions
4.4 Wire connection
There are two methods to connection between wired controller and main unit.
Midea CAC Confidential

Related product manuals