EasyManua.ls Logo

Milltronics Accumass BW100 - Communication CVCC

Milltronics Accumass BW100
84 pages
Print Icon
To Next Page IconTo Next Page
To Next Page IconTo Next Page
To Previous Page IconTo Previous Page
To Previous Page IconTo Previous Page
Loading...
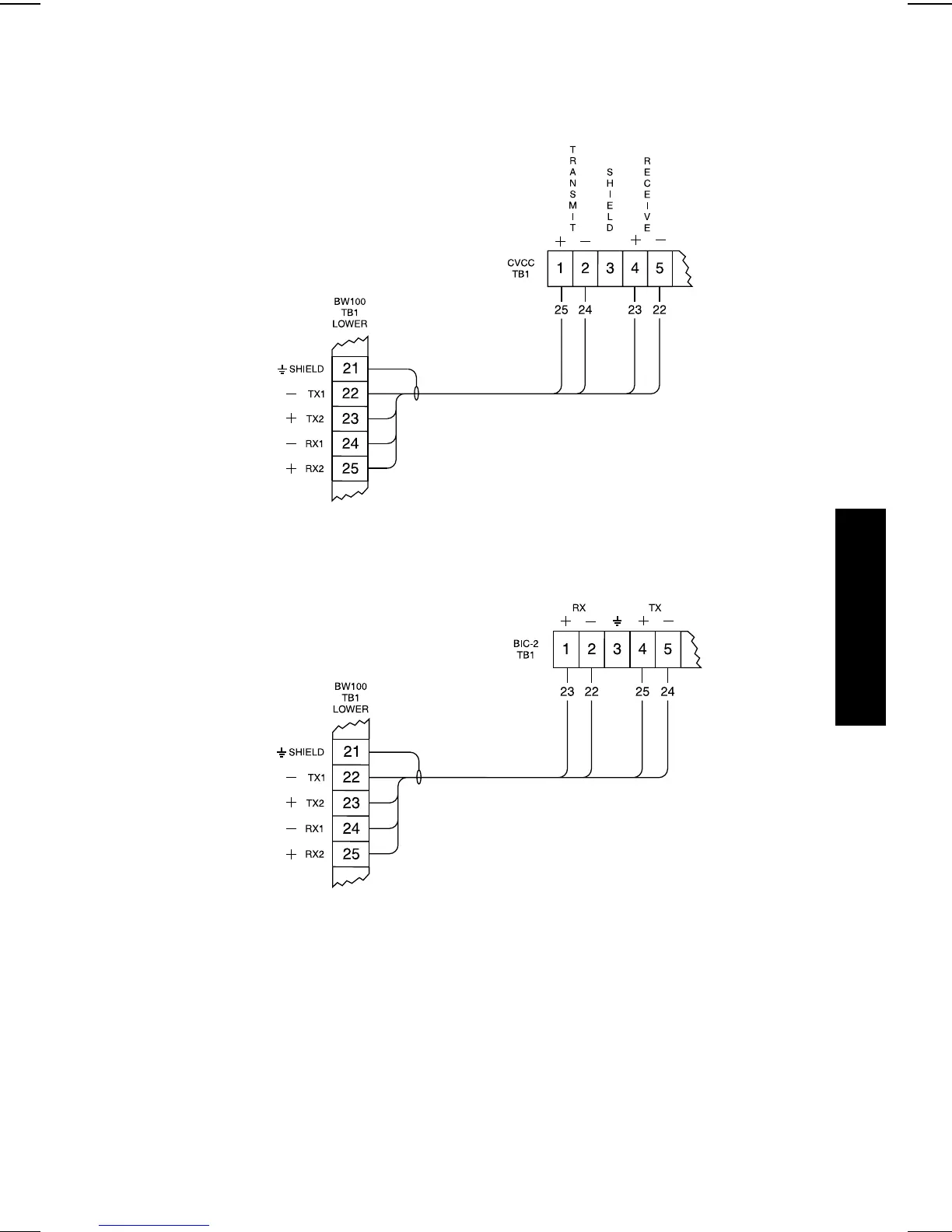
COMMUNICATION
CVCC
BIC-2
Connect shield at one device only, e.g. BW100 TB1 – 21.
Maximum loop length 3000 m (10,000 ft).
INSTALLATION
PL-531 17