EasyManua.ls Logo

Minebea CSD-903-EX - 9-1. SETTING METHOD OF THE MEASUREMENT MODE

Minebea CSD-903-EX
226 pages
Print Icon
To Next Page IconTo Next Page
To Next Page IconTo Next Page
To Previous Page IconTo Previous Page
To Previous Page IconTo Previous Page
Loading...
66
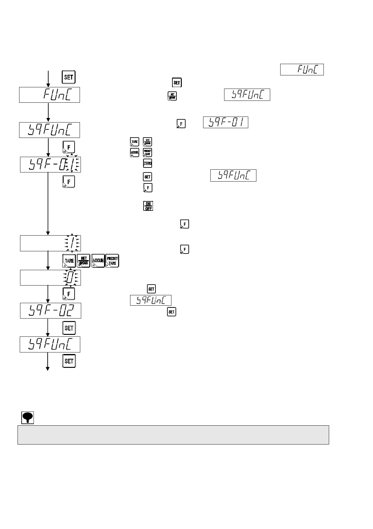
9-1. Setting method of the measurement mode
Change from the standard measurement mode to the
display by the key.
Pressing the key, it displays and enters the
mode of SQ function.
By pressing the key, is displayed.
Please select SQ function number which you want to change
: The value of changed digit is changed.
: Changed digit is selected.
: The displayed value is changed to [0].
: Display returns to .
: The display value is memorized, and it proceeds to the next
step.
: The SQ function mode is finished without changing all setting.
Please press the key, and set the setting value of the selected
SQF-01.
Please press the key. The setting content is registered, and the
display panel displays the following registered SQ function number.
Please continue and select the selected SQ function number when you
change setting of other SQ function numbers.
If the key is pressed after registration is completed, it becomes
display. Please set to the measurement mode by
pressing the key.
Please do not change in the set value under the measurement because the A/D sampling rate
decreases temporarily while rewriting the set value.
Measurement mode
Measurement mode

Related product manuals