EasyManua.ls Logo

Mitsubishi DD-4021 - Page 25

Mitsubishi DD-4021
46 pages
Print Icon
To Next Page IconTo Next Page
To Next Page IconTo Next Page
To Previous Page IconTo Previous Page
To Previous Page IconTo Previous Page
Loading...
1-7-15 1-7-16
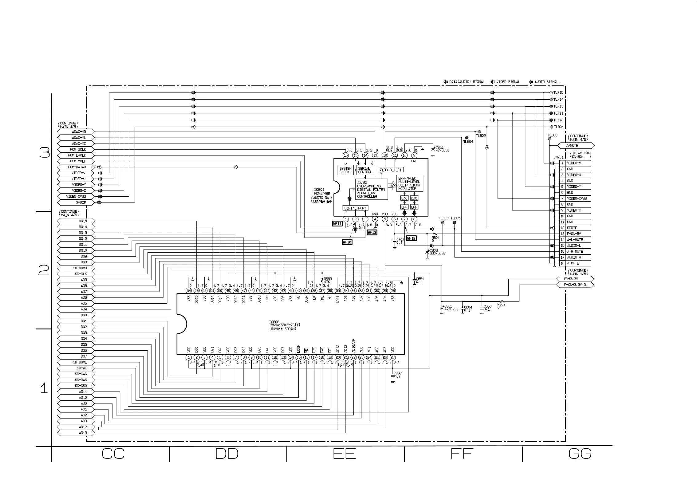
Main 5/5 Schematic Diagram
E5542SCM5