EasyManua.ls Logo

Mitsubishi DD-4021 - Page 26

Mitsubishi DD-4021
46 pages
Print Icon
To Next Page IconTo Next Page
To Next Page IconTo Next Page
To Previous Page IconTo Previous Page
To Previous Page IconTo Previous Page
Loading...
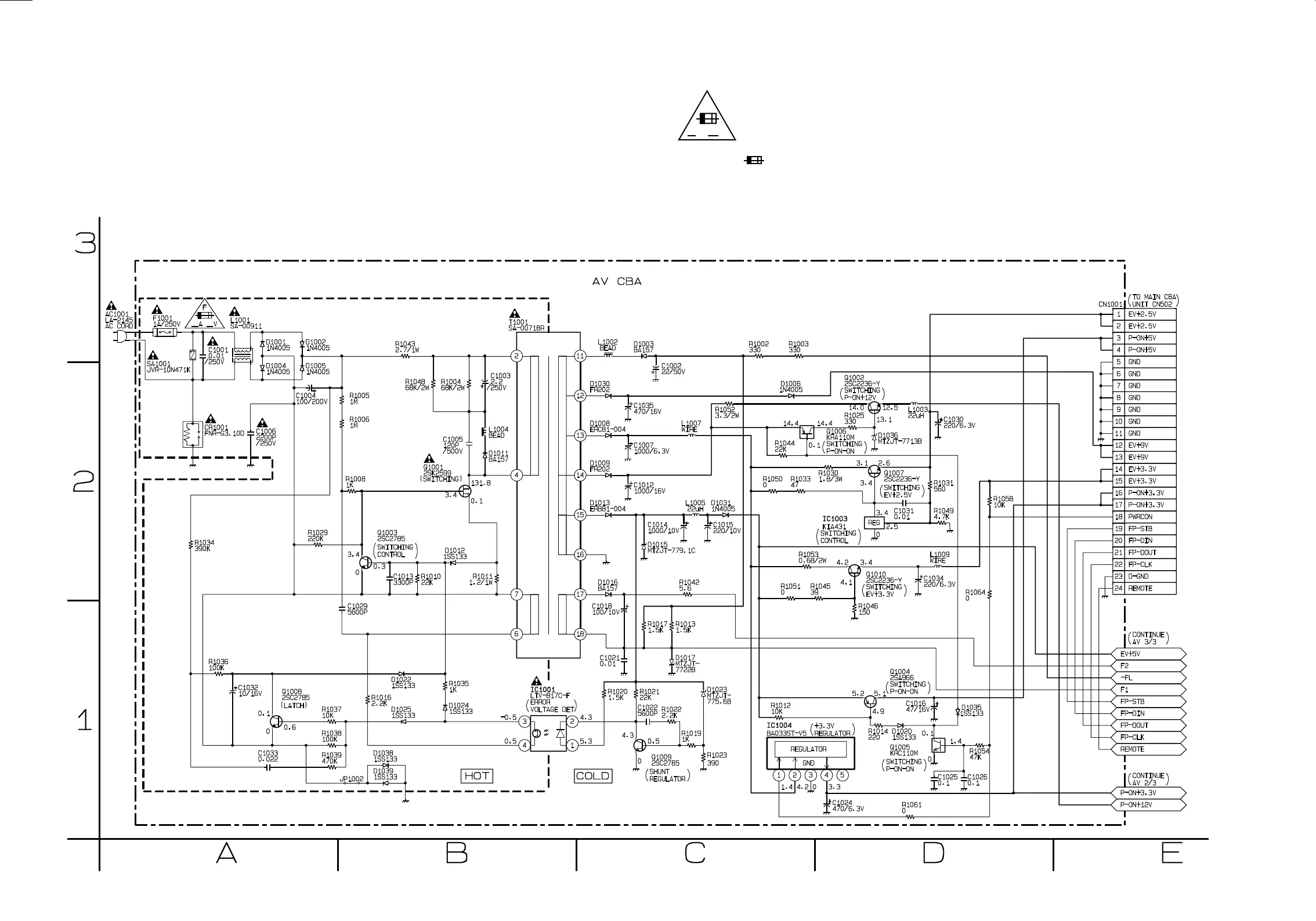
AV 1/3 Schematic Diagram
1-7-17 1-7-18 E5542SCAV1
NOTE :
The voltage for parts in hot circuit is measured
using hot GND as a common terminal.
CAUTION !
Fixed voltage power supply circuit is used in this unit.
If Main Fuse (F1001) is blown, check to see that all components in the power supply circuit
are not defective before you connect the AC plug to the AC power supply. Otherwise it may
cause some components in the power supply circuit to fail.
CAUTION
FOR CONTINUED PROTECTION AGAINST FIRE HAZARD,
REPLACE ONLY WITH THE SAME TYPE FUSE.
ATTENTION : POUR UNE PROTECTION CONTINUE LES RISQES
D'INCELE N'UTILISER QUE DES FUSIBLE DE MEMO TYPE.
RISK OF FIRE-REPLACE FUSE AS MARKED.
"This symbol means fast operating fuse."
"Ce symbole reprèsente un fusible à fusion rapide."
A V
F