EasyManua.ls Logo

Mitsubishi MELSEC-A A2ASCPU-S1 - Page 194

Mitsubishi MELSEC-A A2ASCPU-S1
272 pages
Print Icon
To Next Page IconTo Next Page
To Next Page IconTo Next Page
To Previous Page IconTo Previous Page
To Previous Page IconTo Previous Page
Loading...
11 - 27
TROUBLESHOOTING11.
Example
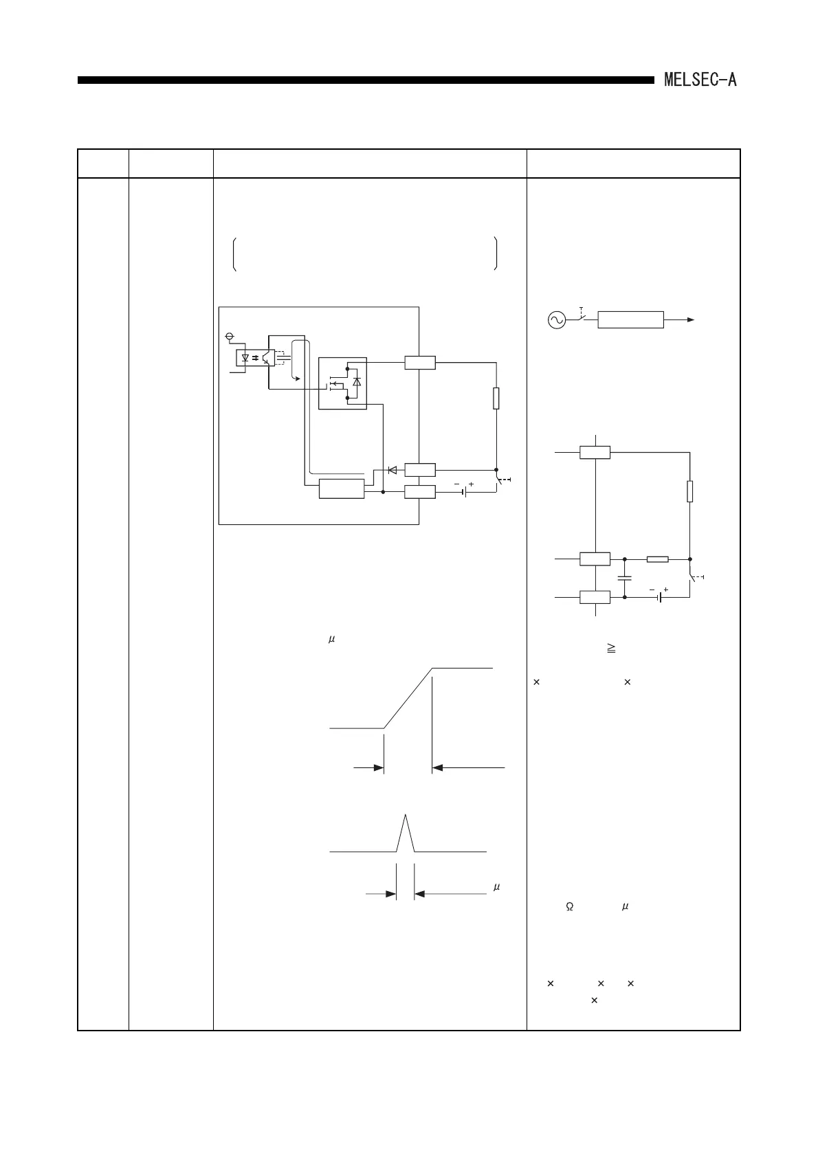
5
When the
external power
supply turns
on, the load
turns on for a
moment.
Erroneous output due to the stray capacitance (C) between
collector and emitter of hotocoupler.
There is no erroneous output at normal road.
An erroneous output may occur at high sensitivity load
(such as solid state relay).
If the external power supply is turned on precipitously, Ic
current flows due to the stray capacitance (C) between
collector and emitter of hotocoupler.
Ic current flows to the next stage of transister Tr1 gate and Y0
output turns on by 100 s
When the external power turns ON/OFF,
check that the external power supply
rising edge must be 10ms or more, and
switch the SW1 to the primary side of
external power supply.
When switching to the secondary side of
the external power supply is required, the
external power supply rising edge
connected a condenser must be slow, and
measured 10ms or more.
R1: Several tens of ohms
Power capacity
(external power supply current*
1
)
2
resistance value (3 to 5)*
2
C1: Several hundreds of microfarads 50V
*1 Refer to consumption current of the
external power supply for modules
used in this manual.
*2 Select the power capacity of resistance
to be 3 to 5 times lager than the actual
power consumption.
(Example)
R1=40 , C1=300 F
Use the below expression to calculated a
time constant
C1 R1=300 10
-6
40
=12 10
-3
s
=12ms
Table 11.3 Faults with the output circuit and the corrective actions (Continued)
Situation Cause Countermeasure
L
Output module, Combined module
Photocoupler
C
IC
Tr1
Y0
CTL+
COM-
SW
24V
Constant
voltage circuit
SW: External power
supply (24V) at On
Output Y0
10ms or less
Approx. 100 s
Primary
side
SW1
external power supply
PLC
Secondary
side
L
Y0
CTL+
COM-
C1
24V
R1
SW

Table of Contents

Related product manuals