EasyManua.ls Logo

Mitsubishi SRK 35ZS-W

Mitsubishi SRK 35ZS-W
81 pages
To Next Page IconTo Next Page
To Next Page IconTo Next Page
To Previous Page IconTo Previous Page
To Previous Page IconTo Previous Page
Loading...
-
22
-
'18 • SRK-T-250
DescriptionItem
ConnectorCNE
CNF
CNG
CNM
CNS
CNU
CNX
CNY
Power source
1 Phase
220-240V 50Hz
220V 60Hz
[ ]
F 3.15A L 250V
PRINTED
CNF CNE
CNX
CNG
4
CNU
1 3 65
CNY
M M M
5 5
2 6
2
CNS
CNM
M
5
SN
J
L
G
1
CIRCUIT
BOARD
INTERFACE KIT
RED
BLACK
WHITE
YELLOW
BLUE
WIRELESS
DISPLAY
BACK-UP SW
BLACK
WHITE
RED
YELLOWGREEN
HEAT
EXCHANGER
2N
3
YELLOWGREEN
ONLY
2 2
HEAT
EXCHANGER
5
FUSE
VARISTOR
R-AMP
TERMINAL
BLOCK
MOTOR
FAN
LEFT
MOTOR
LOUVER
MOTOR
FLAP
RIGHT
MOTOR
LOUVER
HEAT EXCHANGER
SENSOR 1
HEAT EXCHANGER
SENSOR 2
ROOM TEMP.
SENSOR
HUMIDITY
SENSOR
4
SRK35,50ZS-W
STACK
DIODE
t
o
t
o
t
o
U
TO OUTDOOR UNIT
POWER CABLE
SIGNAL WIRE
EARTH WIRE
1
3
2
RWA000Z416
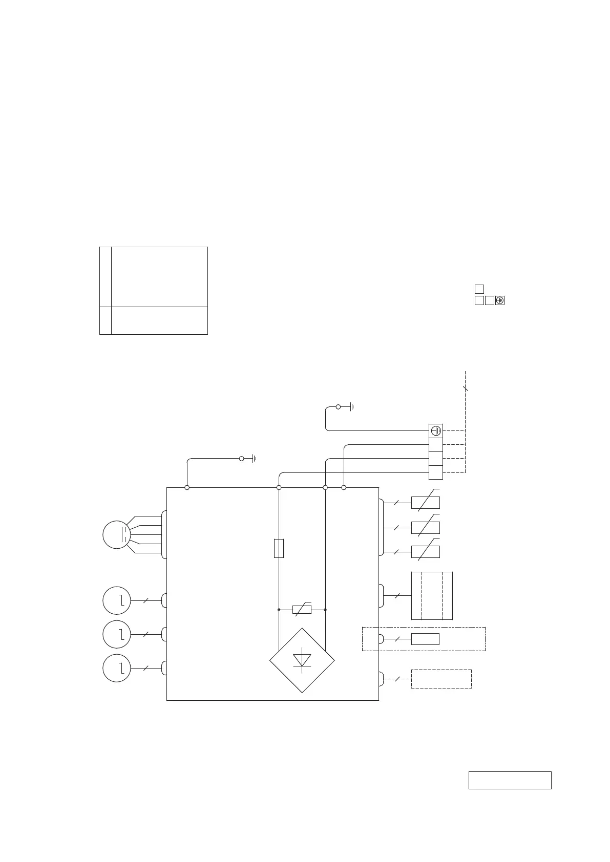
3. ELECTRICAL WIRING
(1) Indoor units
Models SRK20ZS-W, 25ZS-W, 35ZS-W, 50ZS-W
SRK20ZS-WB, 25ZS-WB, 35ZS-WB, 50ZS-WB
SRK20ZS-WT, 25ZS-WT, 35ZS-WT, 50ZS-WT

Related product manuals