EasyManua.ls Logo

Montarbo MX20 - Block Diagram

Montarbo MX20
54 pages
Print Icon
To Next Page IconTo Next Page
To Next Page IconTo Next Page
To Previous Page IconTo Previous Page
To Previous Page IconTo Previous Page
Loading...
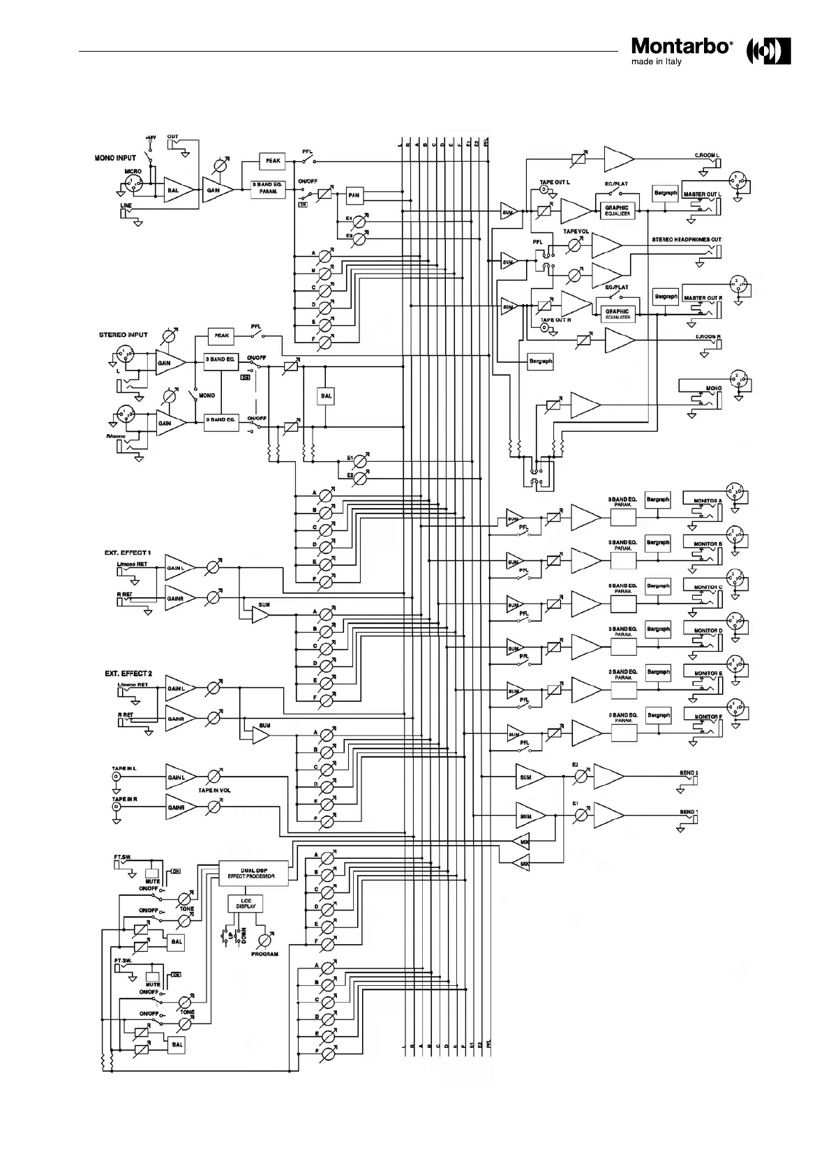
BLOCK DIAGRAM
45
APPENDIX

Related product manuals