EasyManua.ls Logo

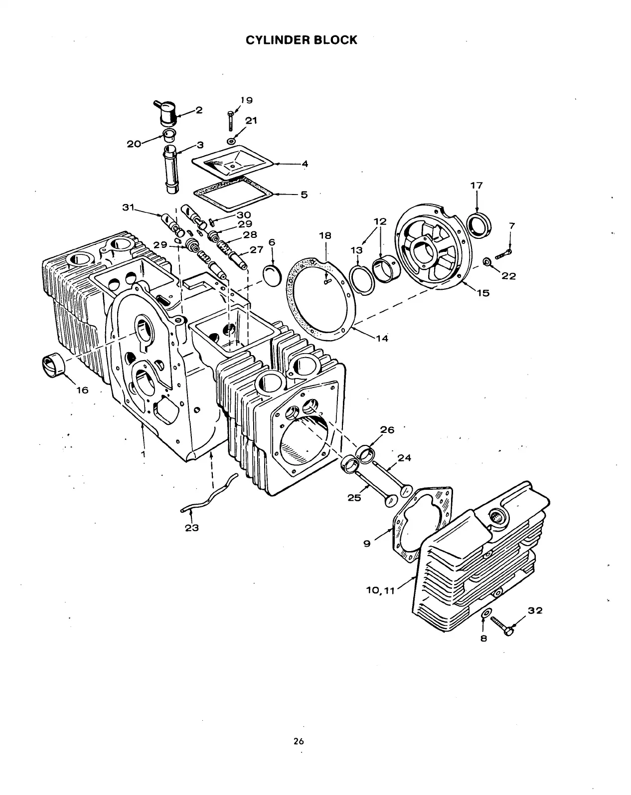
Montgomery Ward MX-27129A - Block, Cylinder; Head, Cylinder

Default Icon
53 pages
Print Icon
To Next Page IconTo Next Page
To Next Page IconTo Next Page
To Previous Page IconTo Previous Page
To Previous Page IconTo Previous Page
Loading...
CYLINDER
BLOCK
26