EasyManua.ls Logo

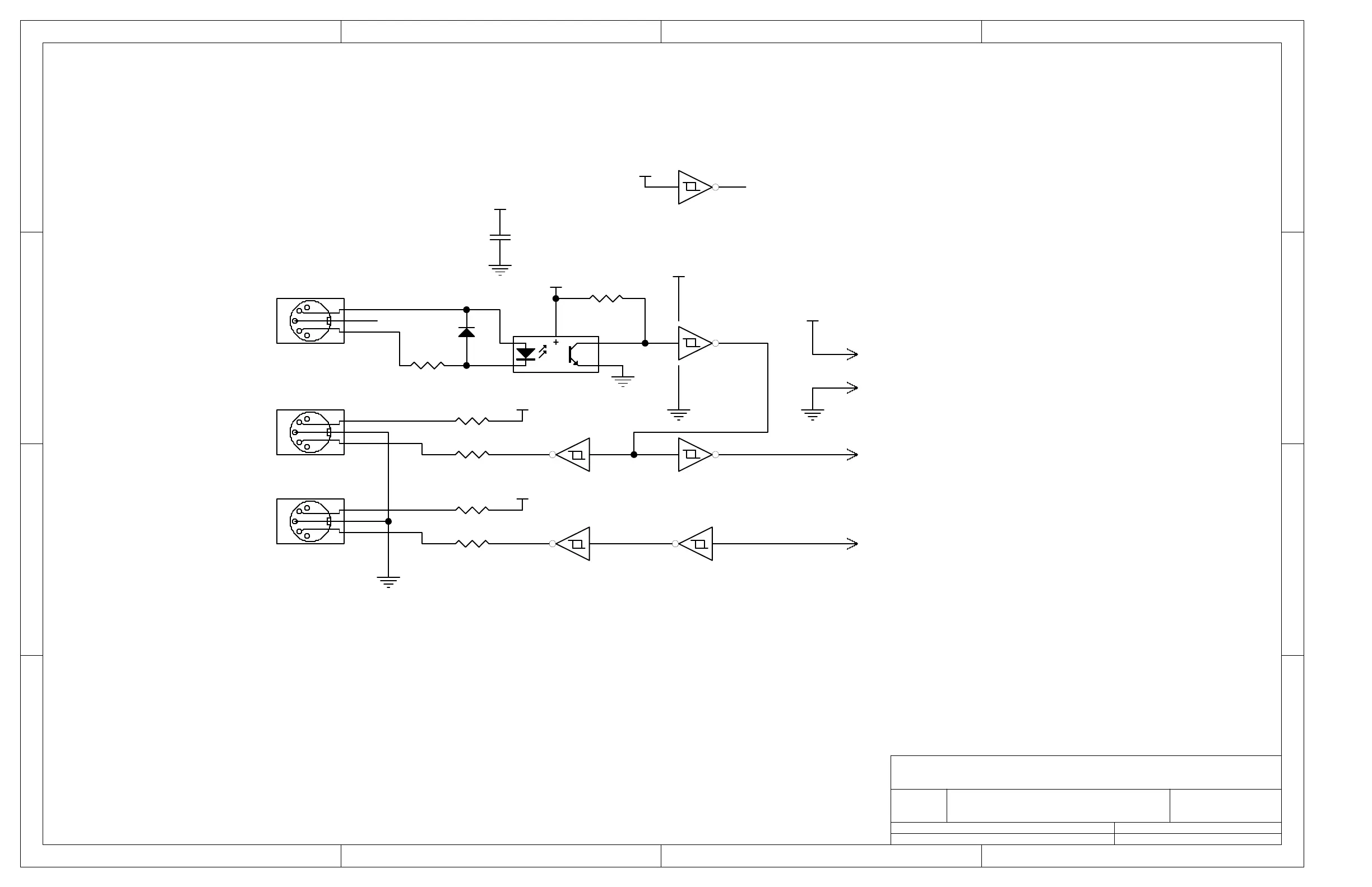
Moog Voyager - 11-420 A MIDI Board schematic

Moog Voyager
50 pages
To Next Page IconTo Next Page
To Next Page IconTo Next Page
To Previous Page IconTo Previous Page
To Previous Page IconTo Previous Page
Loading...
1 2 3 4
A
B
C
D
4321
D
C
B
A
Title
Number RevisionSize
A4
Date: 29-Jan-2003 Sheet of
File: C:\WINDOWS\DESKTOP\11-420A.S01 Drawn By:
+5
RN1E
220 X 5
RN1D
220 X 5
RN1C
220 X 5
RN1B
220 X 5
RN1A
220 X 5
4
MBCN9-4
PLUG
3
MBCN9-3
PLUG
2
MBCN9-2
PLUG
1
MBCN9-1
PLUG1 2
7 14
U2A
74HCT14
5 6
U2C
74HCT14
34
U2B
74HCT14
8 9
U2D
74HCT14
10 11
U2E
74HCT14
D1
1N4148
U1
PC900
2
5
4
J1
2
5
4
J2
2
5
4
J3
R1
1K
+5
+5
+5
+5
+5
C1
.1uF
1213
U2F
74HC14
+5
TD
1 1
11-420AVOYAGER MIDI PCB
MIDI IN
MIDI THRU
MIDI OUT
1
2
5
4
6
NC
12
65
43
10 9
87
11-420A

Other manuals for Moog Voyager

Related product manuals