EasyManua.ls Logo

Motorola V980 - RX Audio

Motorola V980
74 pages
To Next Page IconTo Next Page
To Next Page IconTo Next Page
To Previous Page IconTo Previous Page
To Previous Page IconTo Previous Page
Loading...
Motorola Confidential Proprietary
V975/V980Theory of Operation
3-20
Draft 1.0
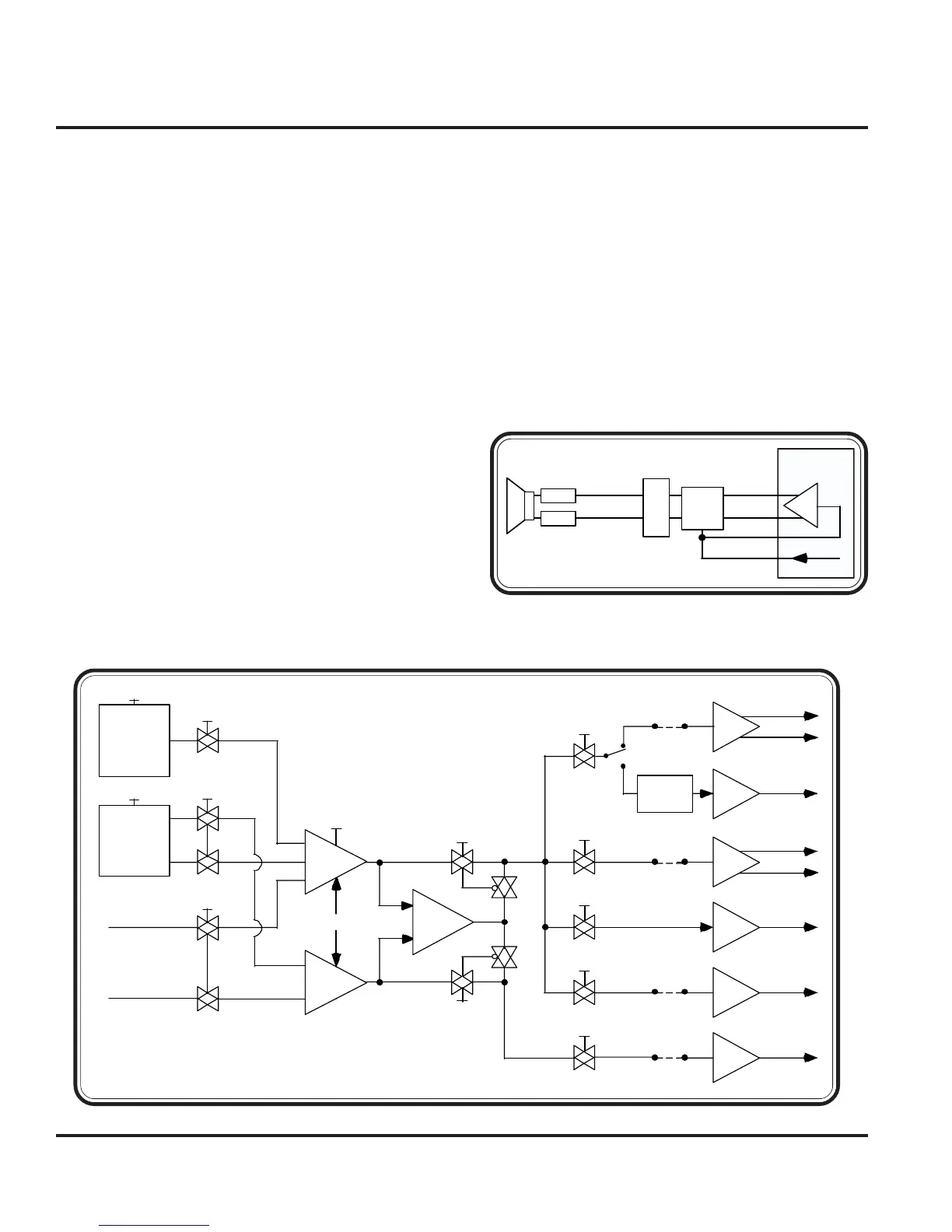
RX Audio
The mobile phone supports four audio output paths.
The output of PCAP’s internal DAC drives the internal
PGA. The output of the PGA can be routed to one of
the four supported outputs via the internal multiplexer.
These outputs connect to the SPKR+/- amplifier (Hand-
set Earpiece Speaker), the ALERT+/- amplifier (Hand-
set Loudspeaker/Alert Speaker), the EXTOUT ampli-
fier (Accessory connector output), and the ARight/ALeft
Out amplifier (Headset Speaker). The single ended
Alert mode amplifier (A2) is not used in this design. All
outputs use the same D/A converter so only one output
can be active at one time. The user can adjust the gain
of the audio outputs with the volume control buttons.
The Handset Speaker is driven by PCAP’s internal
SPKR differential amplifier. Following the speaker path
from the PCAP pins Speaker- and Speaker+, they are
routed through R34003 and R34002 respectively, and
then connected to the transducer. Off the Speaker-
path, SPKR_IN is routed through C4002 for the in-
verting input of the speaker amp A1. SPKR_OUT1
from PCAP is routed through C4000 and C4002 to
Speaker- which is the DAC output of the CODEC.
SPKR_IN and SPKR_OUT1 will output their respec-
tive bias voltages on these pins during standby times.
This is to maintain the voltage across an external cou-
pling capacitor to avoid audio “pops” when the ampli-
fier is enabled.
SPKROUT1
SPKR_IN
Audio
Filter
Circuit
SPKR-
SPKR+
Handset
Speaker
A1
J4000
J4001
EARSPKR-
EARSPKR+
FL4000
PCAP
Figure 3-28. Handset Speaker Path
CDC_EN
ST_DAC_IN
Phone
DAC
Stereo
DAC
CDC_SW
ST_DAC_SW
L
R
PGA_IN_SW
PGA_INR
PGA_INL
PGA_R_EN
AUDOG
Right
PGA
Left
PGA
MONO_SW_CTL
MONO_SW_CTL
Mono
Adder
A1_EN
A4_EN
ARIGHT_EN
ALEFT_EN
A4_EN
Amplitude
Control
SPKR_OUT2 ALRT_IN
ALRT+
ALRT-
SPKR_OUT1 SPKR_IN
HS_OUT_R AR_IN
HS_OUT_L AL_IN
ALeft_Out
ARight_Out
EXT_OUT
SPKR+
SPKR-
ALRT-
A2
A2
ARIGHT
ALEFT
A4
A1
Figure 3-27. RX Audio Block
Audio Circuits

Table of Contents

Other manuals for Motorola V980

Related product manuals