EasyManua.ls Logo

MTD 215-355AB2 - Page 10

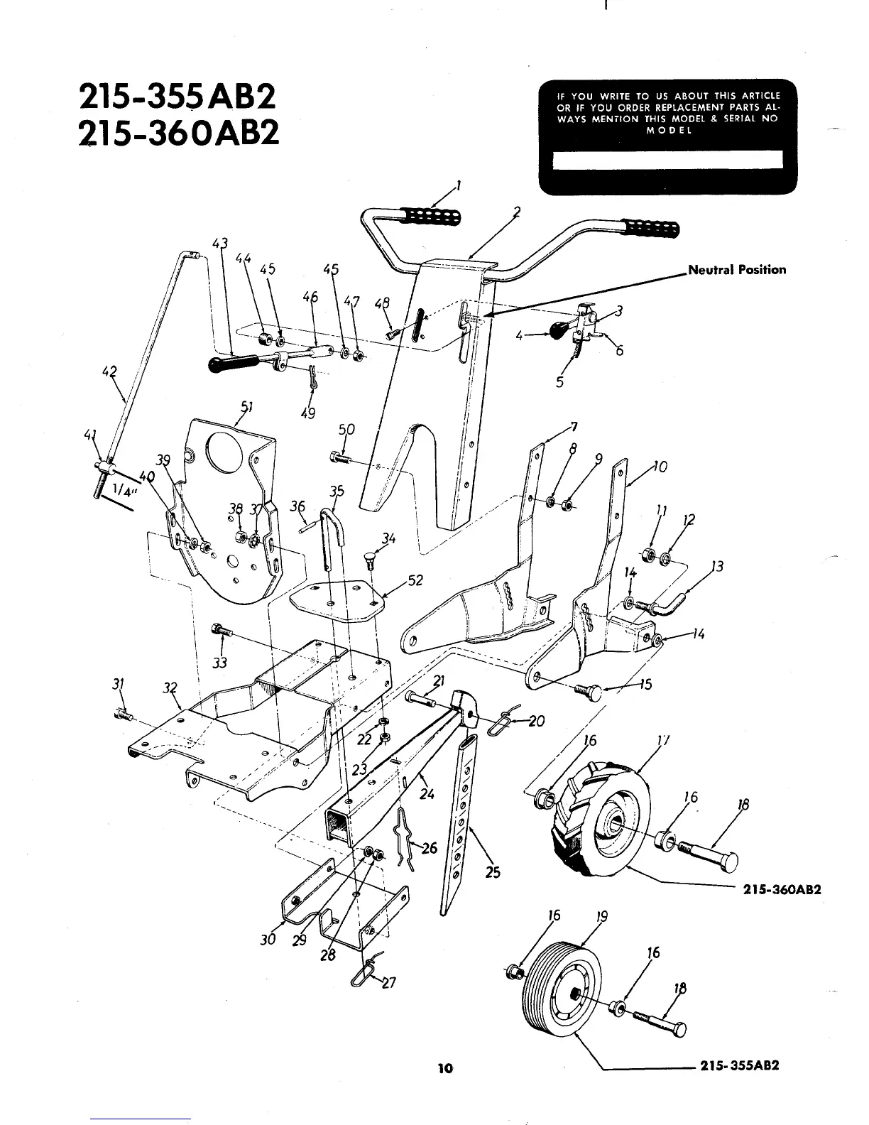
MTD 215-355AB2
14 pages
Print Icon
To Next Page IconTo Next Page
To Next Page IconTo Next Page
To Previous Page IconTo Previous Page
To Previous Page IconTo Previous Page
Loading...

Related product manuals