EasyManua.ls Logo

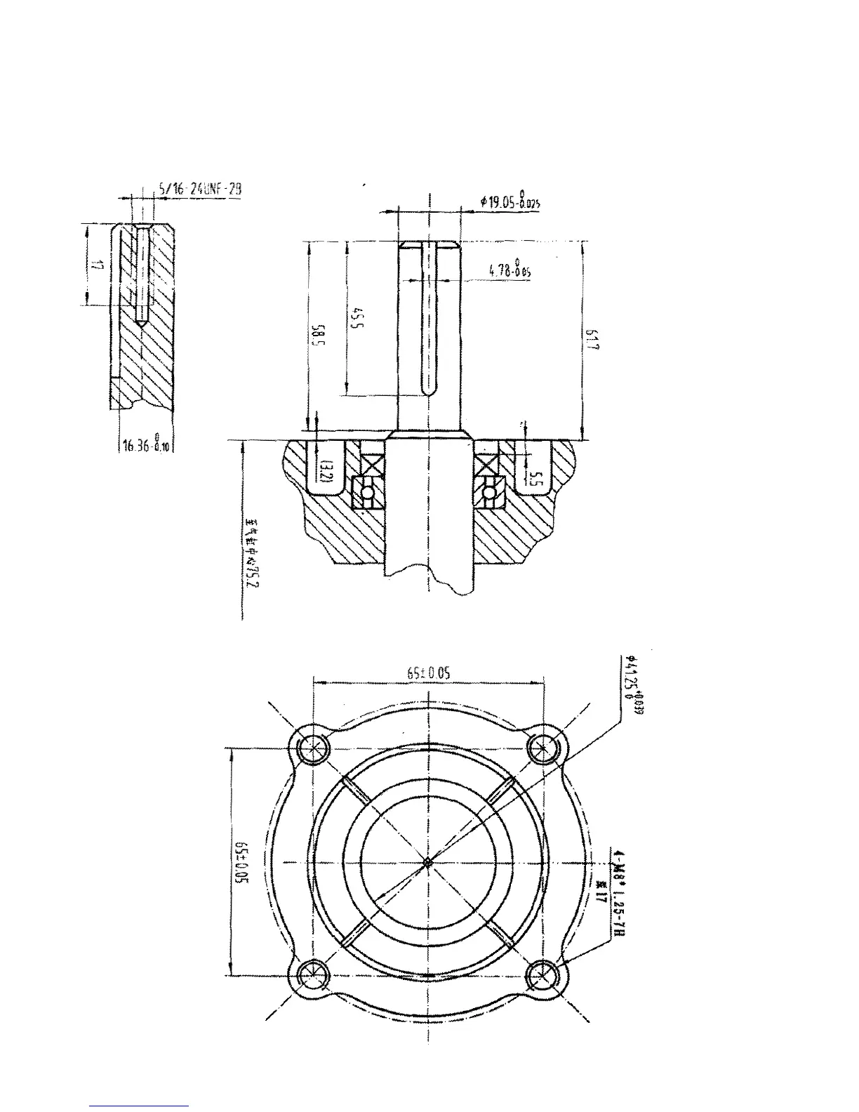
Mud-Skipper 210 - SPARE PARTS & SPECIFICATIONS; 2-1. Specifications

Mud-Skipper 210
27 pages
Print Icon
To Next Page IconTo Next Page
To Next Page IconTo Next Page
To Previous Page IconTo Previous Page
To Previous Page IconTo Previous Page
Loading...
ENGINE PTO DIMENSIONS LT210 7hp
Page 23