EasyManua.ls Logo

MULTIQUIP GA3.6H - Initial Start-Up;Generator Operation

MULTIQUIP GA3.6H
86 pages
Print Icon
To Next Page IconTo Next Page
To Next Page IconTo Next Page
To Previous Page IconTo Previous Page
To Previous Page IconTo Previous Page
Loading...
PAGE 24 — GA-3.6H SERIES A.C. GENERATORS — OPERATION & PARTS MANUAL — REV. #0 (11/01/05)
6. If the engine has started, slowly return the choke lever
(Figure 11) to the
“OPEN”
position. If the engine has not
started repeat steps 1 through 5.
7. Before the generator is placed into operation, run the engine
for 3-5 minutes. Check for abnormal smells, fuel leaks, and
noises that would associate with lose components.
8.
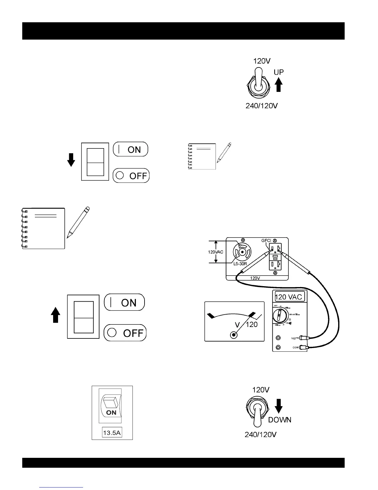
Place
the
idle control switch
(Figure 14) in the "OFF"
(down) position. This will allow the engine speed to run
at speed about 3600 RPM's
3. Read the
voltmeter
on the front panel of the generator
(Figure 18) and verify that120 VAC is present at the
120V twist-lock and GFCI duplex receptacles. For
additional verification of voltage, an external voltmeter
can be used to measure the output voltage as shown in
Figure 18.
Figure 18. 120 V and GFCI Receptacles
NOTE
Placing the
idle control switch
in
the OFF position (Figure 14) allows
the engine to operate at a maximum
speed of about 3600 RPM's. When
the idle control switch is placed in
the up position (ON) (Figure 15),
the generators will run at idle speed (2200 RPM's) until a load is
applied, at that time the engine speed will increase to 3600
RPM's as long as the load is being applied. When the load is not
in use, the engine speed will drop back to the idle mode after
about 3 seconds.
GA-3.6H Series— INITIAL START-UP/GENERATOR OPERATION
Figure 14. Idle Control Switch (Off)
Figure 15. Idle Control Switch (On)
Figure 17. Main Circuit Breaker (ON)
60 Hz Operation
1. Place main circuit breaker (Figure 16) in the ON position.
2. Place the full power switch (Figure 17) in the 120V
position (up).
When the
full power switch
is in the 120 V
position, the 240V twist-lock receptacle
cannot be used.
NOTE
4. Place the full power switch (Figure 19) in the 240V
position (down).
Figure 17. Full Power Switch 120 V Position (Up)
Figure 19. Full Power Switch 240/120 V Position (Down)

Table of Contents

Related product manuals