EasyManua.ls Logo

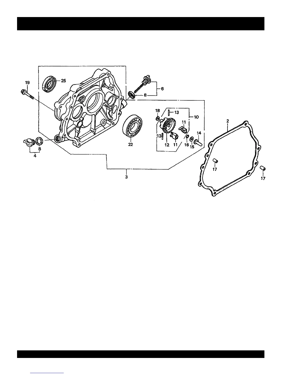
MULTIQUIP GA3.6H - Crankcase Cover Assembly

MULTIQUIP GA3.6H
86 pages
Print Icon
To Next Page IconTo Next Page
To Next Page IconTo Next Page
To Previous Page IconTo Previous Page
To Previous Page IconTo Previous Page
Loading...
PAGE 62 — GA-3.6H SERIES A.C. GENERATORS — OPERATION & PARTS MANUAL — REV. #0 (11/01/05)
HONDA GX240K1EDN2 ENGINE — CRANKCASE COVER ASSY.
CRANKCASE COVER ASSY.

Table of Contents

Related product manuals