EasyManua.ls Logo

MULTIQUIP MTX60HD - Page 28

MULTIQUIP MTX60HD
70 pages
Print Icon
To Next Page IconTo Next Page
To Next Page IconTo Next Page
To Previous Page IconTo Previous Page
To Previous Page IconTo Previous Page
Loading...
PAGE 28 — MTX60HD RAMMER • OPERATION AND PARTS MANUAL — REV. #3 (10/26/18)
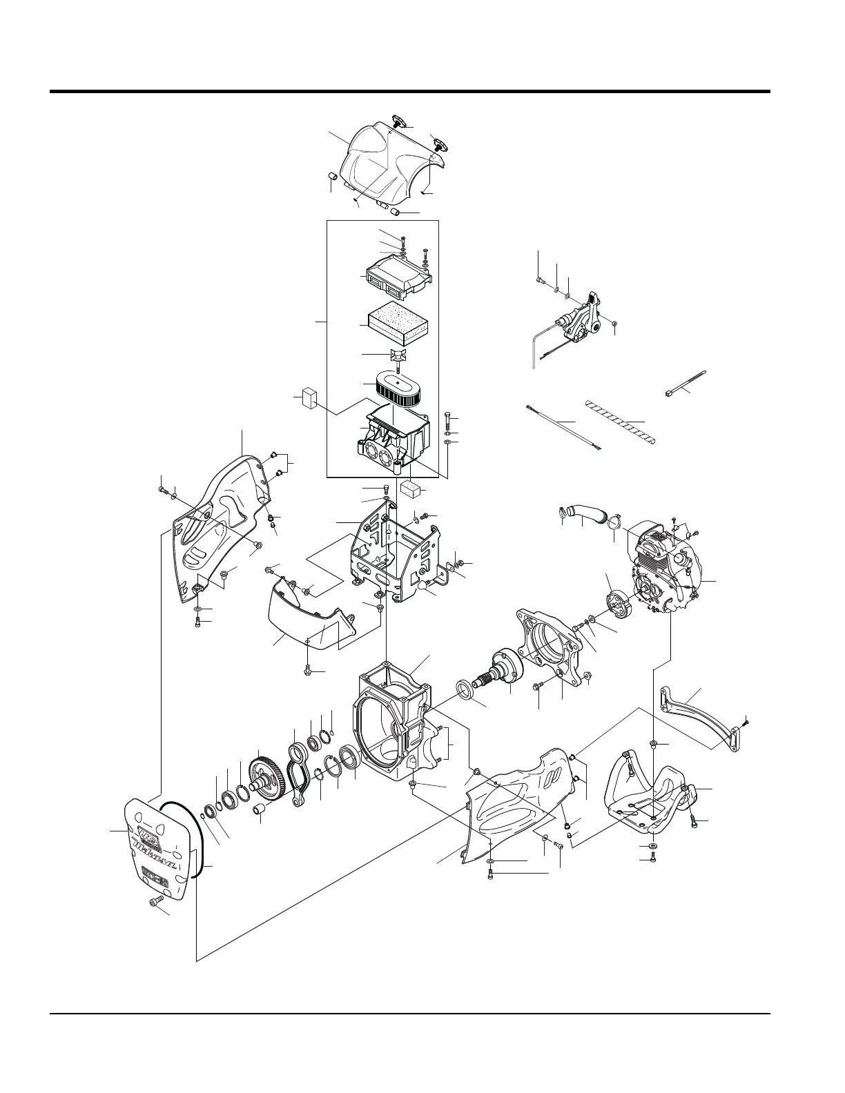
CRANKCASE AND ENGINE ASSY
PAGE 24 MTX-60HD RAMMER OPERATION AND PARTS MANUAL REV. #7 (12/01/11)
CRANKCASE AND ENGINE ASSY.
CRANKCASE AND ENGINE ASSY.
32-1
64
63
58
58
57
61
55
3
5
6
7
9
10
11
12
13
14
15
17
16
19
20
90
101
21
52
77
54-2
50
56
54-1
54-2
54-1
54-2
54-1
4
23
24
25-2
29
37
39
38
75
121
26
28
25-1
55
73
46
45
46
47
48
48
36
40
42-3
42-2
42-1
41
36-5
36-7
36-9
36-8
52
62
62
62
51
53
49
53
32-1
2
1
33
31
35
34
43-2
43-1
36-1
36-2
36-3
36-4
7674
44
49
62
62
71-1
71-3
71-2
72