EasyManua.ls Logo

MULTIQUIP R2000 - Chassis and Covers Assembly

MULTIQUIP R2000
90 pages
Print Icon
To Next Page IconTo Next Page
To Next Page IconTo Next Page
To Previous Page IconTo Previous Page
To Previous Page IconTo Previous Page
Loading...
PAGE 40 —R2000 RIDE-ON STATIC ROLLER — OPERATION & PARTS MANUAL — REV. #2 (03/20/06)
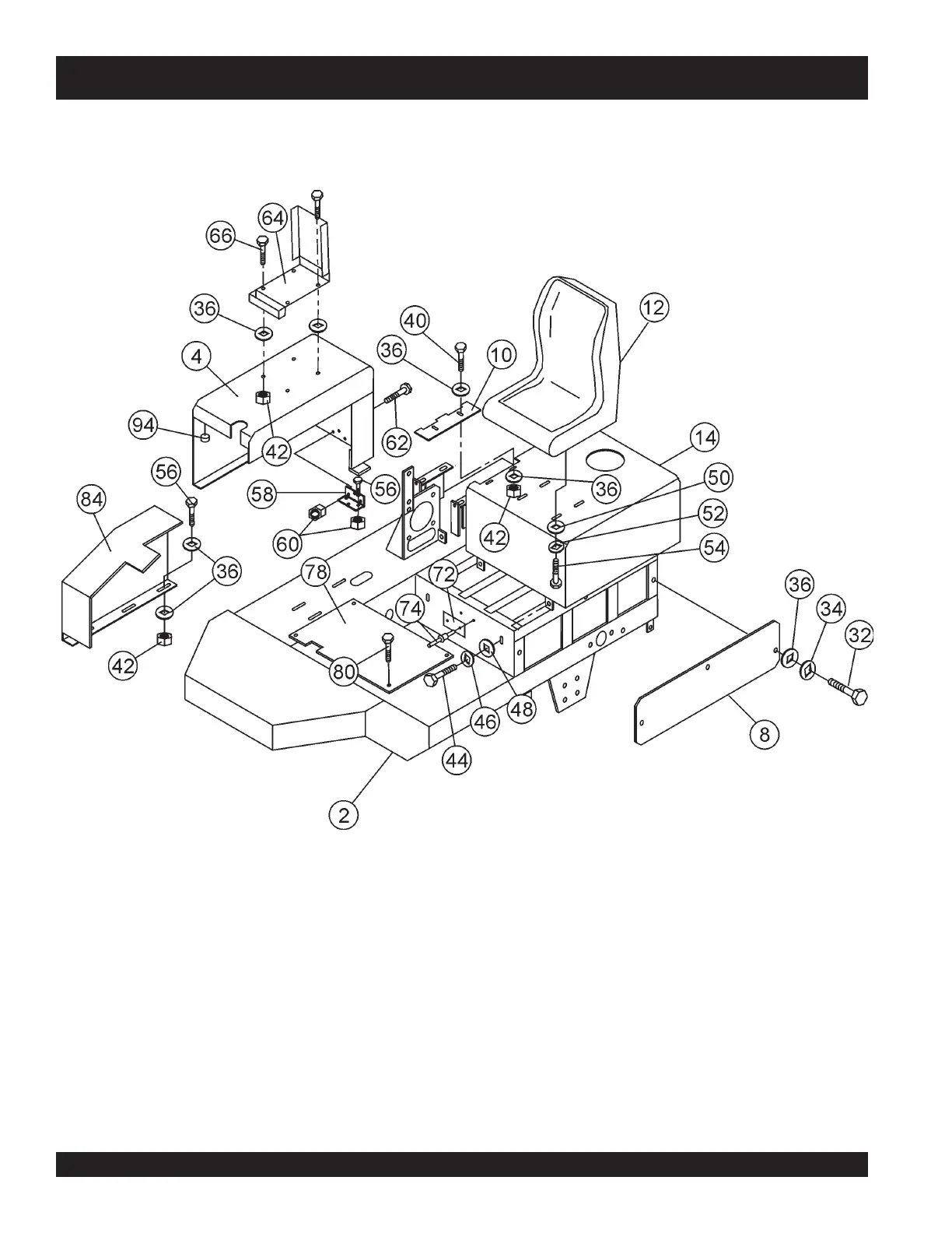
R2000 — CHASSIS AND COVERS ASSY.
CHASSIS & COVERS ASSY.