EasyManua.ls Logo

MULTIQUIP R2000 - Control Asssembly

MULTIQUIP R2000
90 pages
Print Icon
To Next Page IconTo Next Page
To Next Page IconTo Next Page
To Previous Page IconTo Previous Page
To Previous Page IconTo Previous Page
Loading...
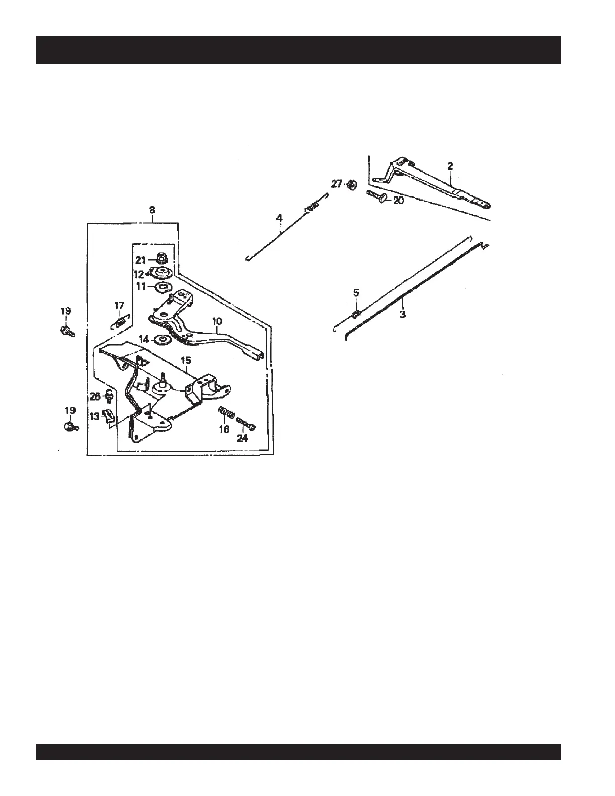
PAGE 58 —R2000 RIDE-ON STATIC ROLLER — OPERATION & PARTS MANUAL — REV. #2 (03/20/06)
CONTROL ASSY.
HONDA GX240K1QAE2 ENGINE — CONTROL ASSY.