EasyManua.ls Logo

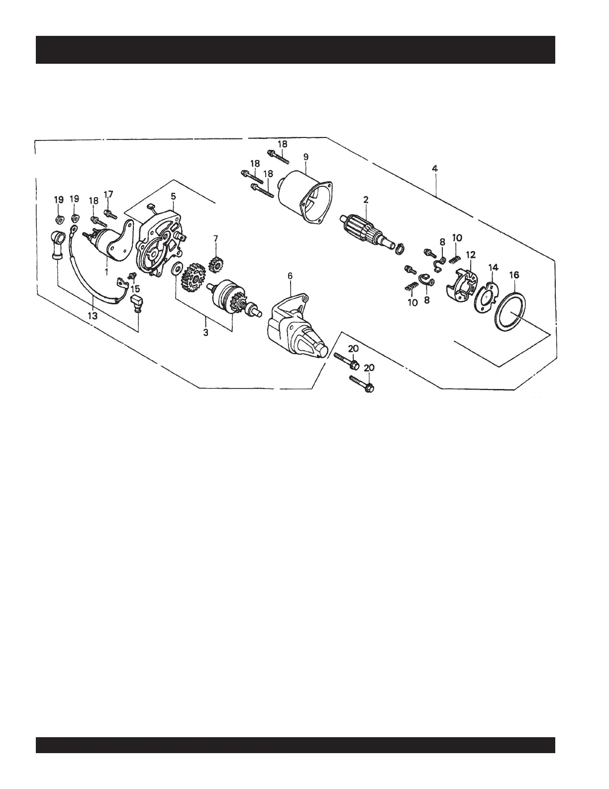
MULTIQUIP R2000 - Starter Motor Assembly

MULTIQUIP R2000
90 pages
Print Icon
To Next Page IconTo Next Page
To Next Page IconTo Next Page
To Previous Page IconTo Previous Page
To Previous Page IconTo Previous Page
Loading...
PAGE 76 —R2000 RIDE-ON STATIC ROLLER — OPERATION & PARTS MANUAL — REV. #2 (03/20/06)
HONDA GX390K1QAE2 — STARTER MOTOR ASSY.
STARTER MOTOR ASSY.