EasyManua.ls Logo

MULTISPAN MS-1248 - Group Menu

MULTISPAN MS-1248
8 pages
Print Icon
To Next Page IconTo Next Page
To Next Page IconTo Next Page
To Previous Page IconTo Previous Page
To Previous Page IconTo Previous Page
Loading...
www.multispanindia.com
MS-1248
Page - 4
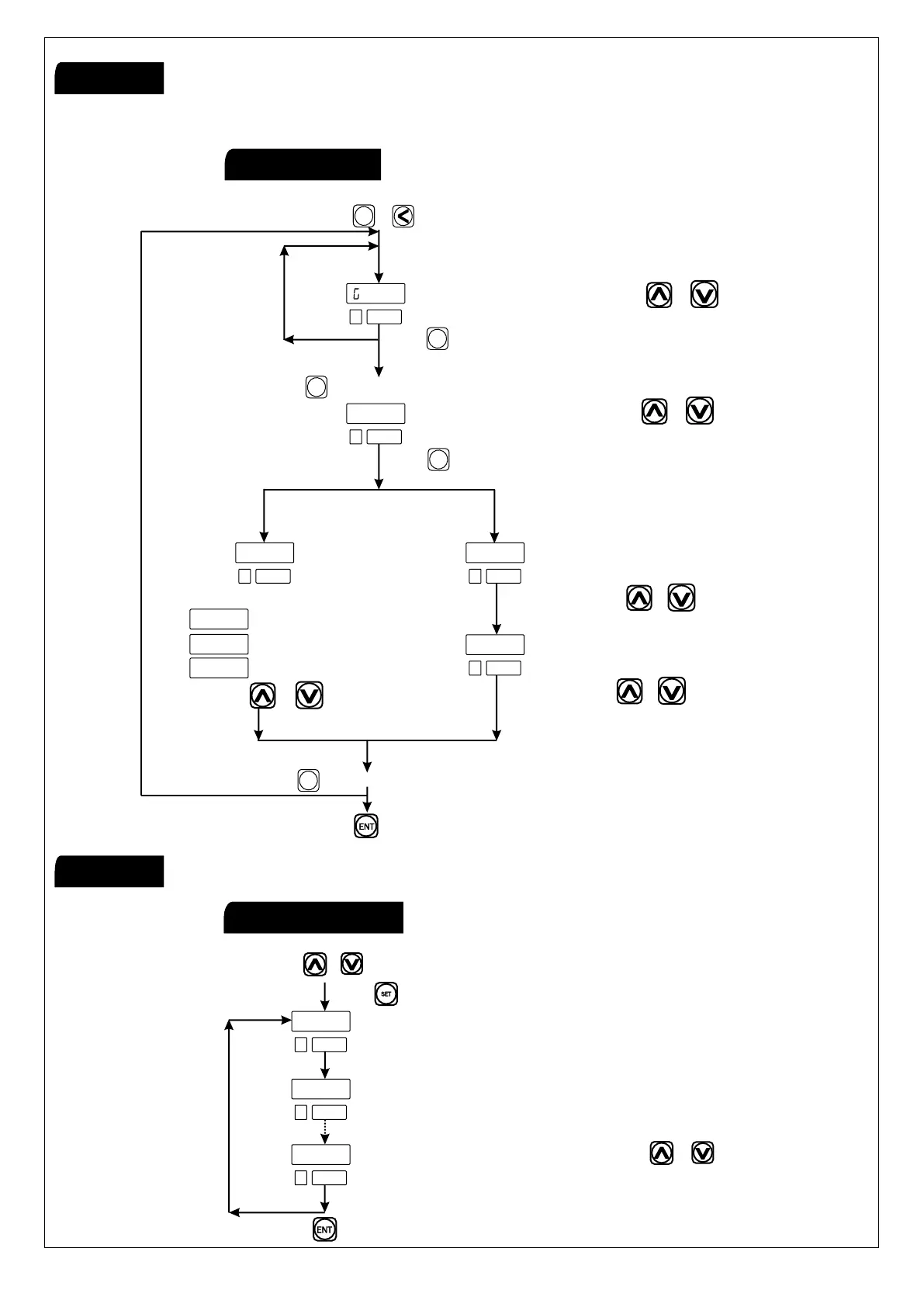
To configurable no.of channel per group. (User can define maximum
4 group & maximum 8 channel/group), relay mode
Press key to go to next parameter
Press key to go to next parameter
Press key to output relay select.
Press key to next group(if relay exist)
Press + key
SETSET
SET
SET
SET
SET
Set yes or no for channel by press or key.
Repeat for 8
Channel
Select no of output relay by press & key.
Set output of relay
Set output for 1 relay Low or High.
st
Set output for 2 relay High or Trip.
nd
2 High, Trip by or key.
nd
1 High, Low by or key.
st
Press key to exit
Press key to exit
Group menu
Note:Menu:2
To configurable offset for individual channel, if require.
Note:Menu:3
(Repeat the same procedure for all 8 channels)
Press & key to change offset
Press key to change offset
Change offset point -25 to +25 by using or key.
Press set key to go to next channel
Press set key to go to next channel
OFFSET SettingOFFSET Setting
r P1
-0 2 5
-0 2 5
-0 2 5
O U T1
R L Y
H I
L O
H N L
R L Y
R L Y
N O
O F 1
O F 2
O F 8
R L Y
L O
L O
H I
1
1
1 1
2
High
Low
High and Low
by press or key

Related product manuals