EasyManua.ls Logo

Multitone RPR 551IS - Page 127

Multitone RPR 551IS
127 pages
Print Icon
To Previous Page IconTo Previous Page
To Previous Page IconTo Previous Page
Loading...
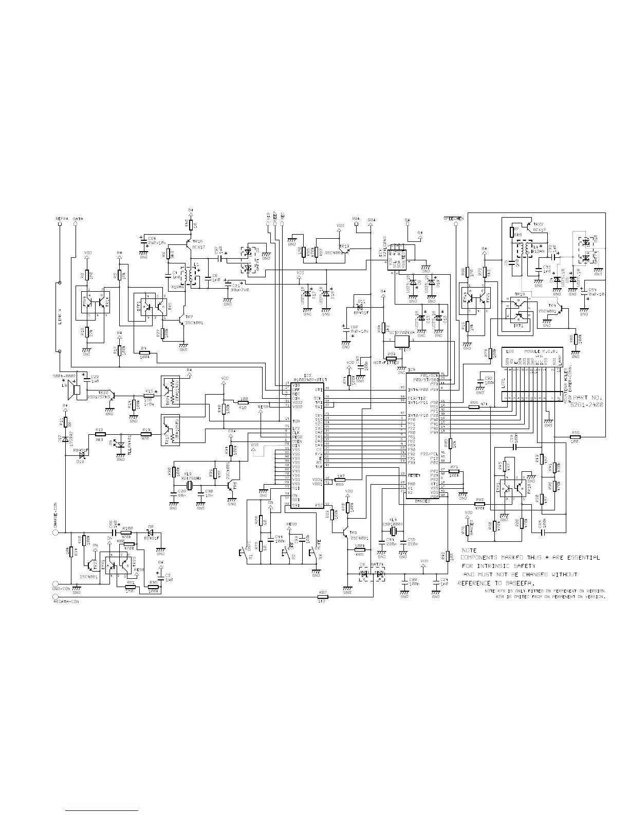
TM1188 Issue 1 AL2 (Oct. 98) Figure 11: RPR 550IS Main Board Circuit Diagram (Radio) Page 7 - 23/24

Related product manuals