EasyManua.ls Logo

Murphy PV485 - Mounting Templates; Dash-Mount Template

Murphy PV485
16 pages
Print Icon
To Next Page IconTo Next Page
To Next Page IconTo Next Page
To Previous Page IconTo Previous Page
To Previous Page IconTo Previous Page
Loading...
Section 78 00-02-1018
2017-05-23 - 7 -
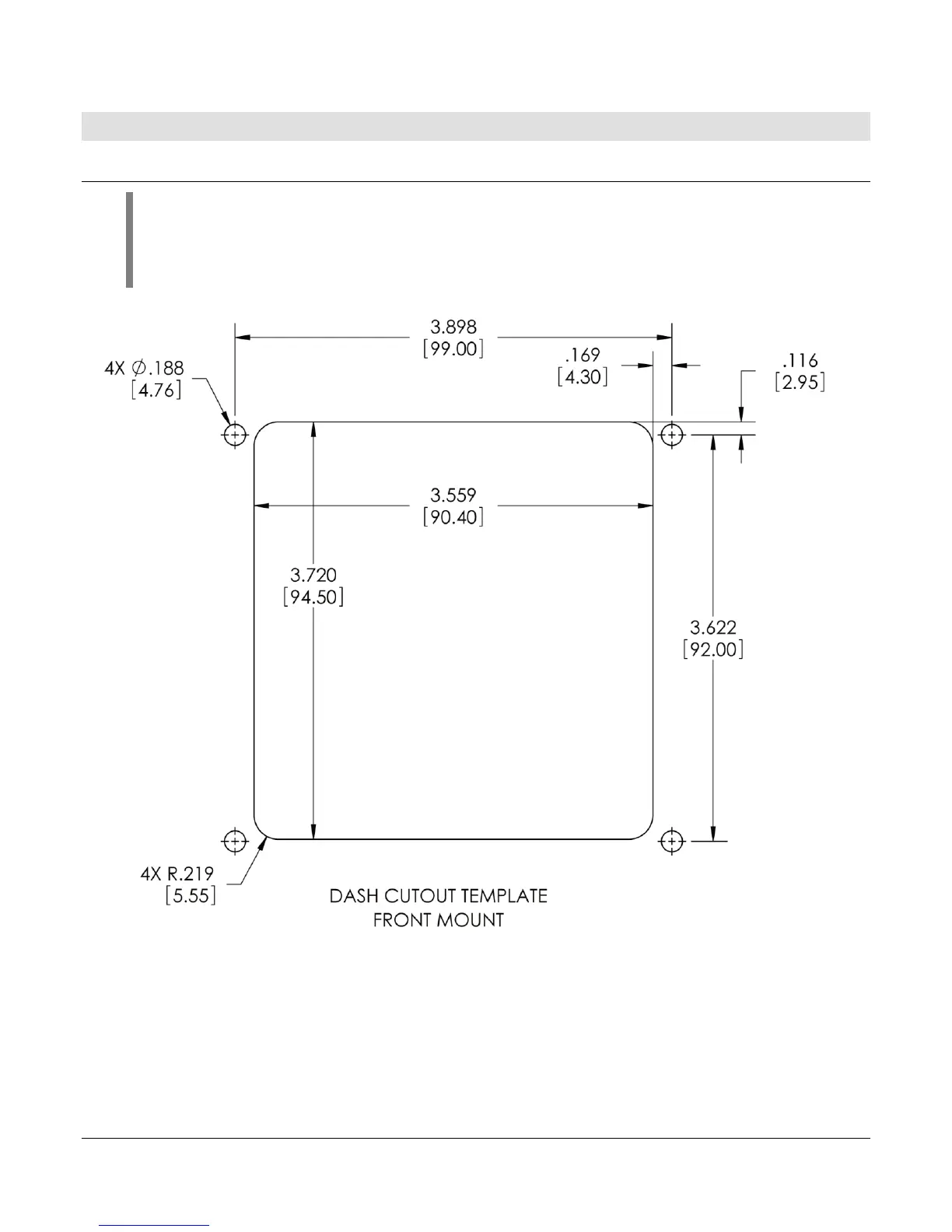
Mounting Templates
Dash-Mount Template
NOTE: These templates are as close as possible to the actual size needed for
unit placement. Always remember to measure twice to ensure correctness
before cutting the dash material.
.