EasyManua.ls Logo

NAD 1700 - Page 3

NAD 1700
22 pages
Print Icon
To Next Page IconTo Next Page
To Next Page IconTo Next Page
To Previous Page IconTo Previous Page
To Previous Page IconTo Previous Page
Loading...
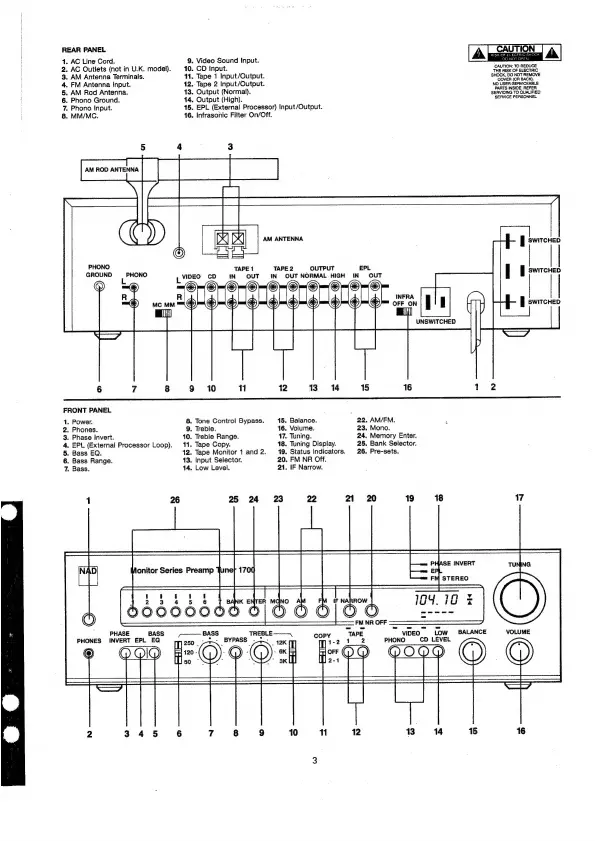
REAR
PANEL
|
CAUTION
|
RISK
OF
ELECTRIC
SHOCK
1.
AC
Line
Cord.
9.
Video
Sound
Input.
DO
NOT
OPEN
2.
AC
Outlets
(not
in
U.K.
model).
10.
CD
Input.
CAUTION:
TO
REDUCE
3.
AM
Antenna
Terminals.
11.
Tape
1
Input/Output.
SHOCK
DO
NOT
REMOVE
4.
FM
Antenna
Input.
12.
Tape
2
Input/Output.
eee
ee
CABLE
5.
AM
Rod
Antenna.
13.
Output
(Normal).
Sea
ee
RIED
6.
Phono
Ground.
14.
Output
(High).
SERVICE
PERSONNEL
7.
Phono
Input.
15.
EPL
(External
Processor)
Input/Output.
8.
MM/MC.
16.
Infrasonic
Filter
On/Off.
==
im
AM
ANTENNA.
J
switcren
PHONO
:
TAPE
1
TAPE
2
OUTPUT
EPL
GROUND
ghhoNe
[VIDEO
CD
IN
OUT
IN
OUTNORMAL.HIGH
IN
OUT
|
J
swircrten
4
INFRA
©
wcnm
OFF
ON
I
swicueo
i
ii
qh
)
UNSWITCHED
J
6
7
8
$
10
11
12
3
14
15
16
1
2
FRONT
PANEL
1,
Power.
8.
Tone
Control
Bypass.
15.
Balance.
22.
AM/FM.
b
2.
Phones.
9.
Treble.
16.
Volume.
23,
Mono.
3.
Phase
Invert.
10.
Treble
Range.
17.
Tuning.
24.
Memory
Enter.
4.
EPL
(External
Processor
Loop).
11.
Tape
Copy.
18.
Tuning
Display.
25.
Bank
Selector.
5.
Bass
EQ.
12.
Tape
Monitor
1
and
2.
19.
Status
Indicators.
26.
Pre-sets.
6.
Bass
Range.
13.
Input
Selector.
20.
FM
NR
Off.
7,
Bass.
14.
Low
Level.
21.
IF
Narrow.
1
26
25
24
23
22
21
20
19
18
17
el
_—
|
ASE
INVERT
NA
lonitor
Series
Preamp
Junet
170¢
:
TUNING
STEREO
Vv
A
5
3 4
BANK
ENTER
MQNO
A
IF
NARROW
GY.
1a
d
566666668
0|©
©
6/0
0
Boone
FM
NR
OFF
=
PHONES
VERT
EPL
ro
m2.
oa
s'
ey
ee
ul
aie
2
TAPE,
pHOND
cD
LEVEL
pris
perme
ne
rele
=
——
——J
|
=

Related product manuals