EasyManua.ls Logo

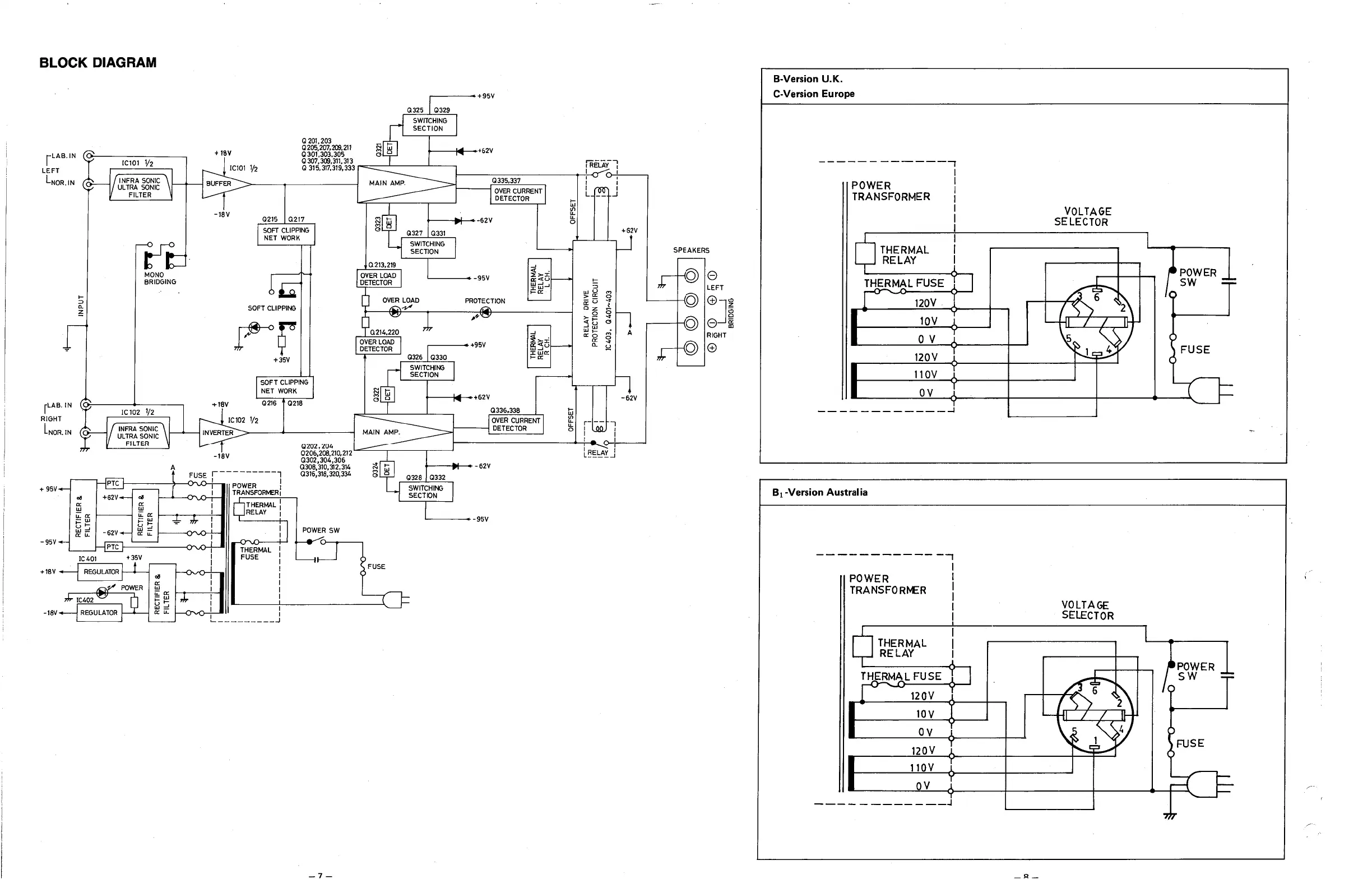
NAD 2200 - Block Diagram; Amplifier Functional Block Diagram; Power Transformer and Voltage Selector Diagram

NAD 2200
12 pages
Print Icon
To Next Page IconTo Next Page
To Next Page IconTo Next Page
To Previous Page IconTo Previous Page
To Previous Page IconTo Previous Page
Loading...

Related product manuals