EasyManua.ls Logo

NAD 3240PE - Page 7

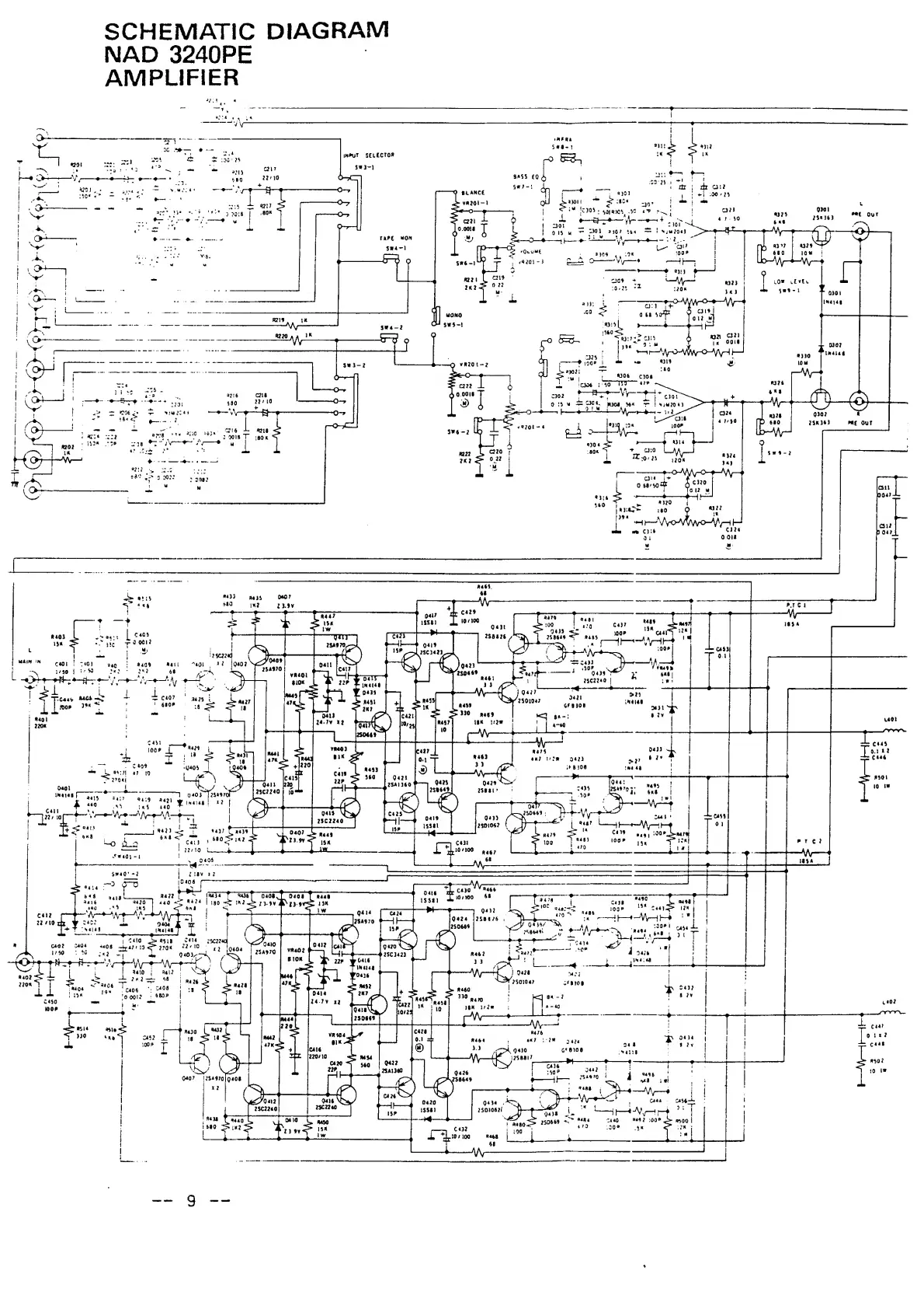
NAD 3240PE
12 pages
Print Icon
To Next Page IconTo Next Page
To Next Page IconTo Next Page
To Previous Page IconTo Previous Page
To Previous Page IconTo Previous Page
Loading...

Other manuals for NAD 3240PE

Related product manuals